Murray 461000x71A - B&S/ 46" Garden Tractor (2001) (Quality Stores) Blade Drive Ersatzteile
Blade Drive 461000x71A - B&S/Murray 46" Garden Tractor (2001) (Quality Stores)

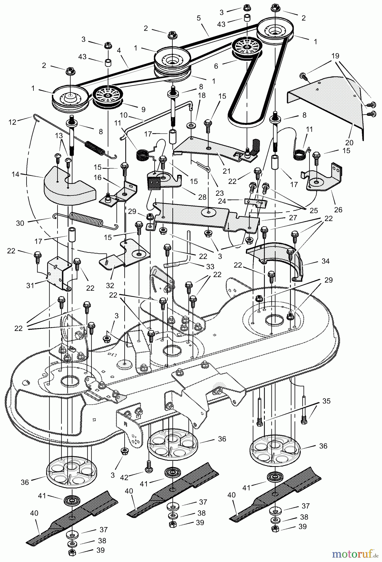
Hier finden Sie die Ersatzteilzeichnung für Murray Rasen- und Gartentraktoren 461000x71A - B&S/Murray 46" Garden Tractor (2001) (Quality Stores) Blade Drive. Wählen Sie das benötigte Ersatzteil aus der Ersatzteilliste Ihres Murray Gerätes aus und bestellen Sie einfach online. Viele Murray Ersatzteile halten wir ständig in unserem Lager für Sie bereit.


Qualitätsmanagement
Informieren Sie uns, wenn Sie einen Fehler gefunden haben.






