Murray 42578x6A - Ultra 42" Lawn Tractor (1997) Motion Drive Ersatzteile
Motion Drive 42578x6A - Murray Ultra 42" Lawn Tractor (1997)

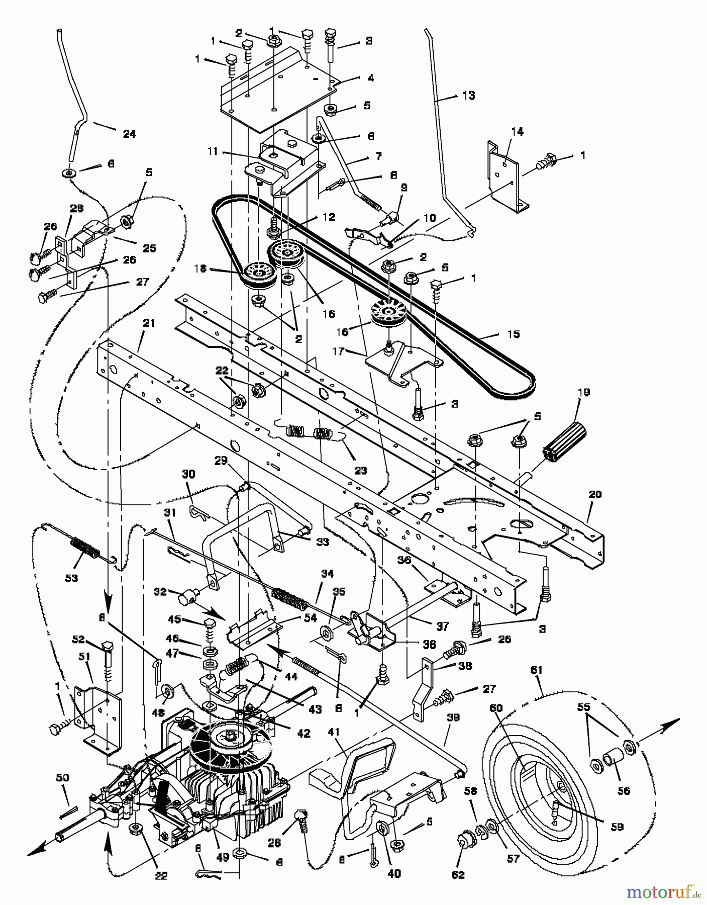
Hier finden Sie die Ersatzteilzeichnung für Murray Rasen- und Gartentraktoren 42578x6A - Murray Ultra 42" Lawn Tractor (1997) Motion Drive. Wählen Sie das benötigte Ersatzteil aus der Ersatzteilliste Ihres Murray Gerätes aus und bestellen Sie einfach online. Viele Murray Ersatzteile halten wir ständig in unserem Lager für Sie bereit.








