Murray 42576x92D - B&S/ 42" Lawn Tractor (2001) (Walmart) Chassis & Hood Ersatzteile
Chassis & Hood 42576x92D - B&S/Murray 42" Lawn Tractor (2001) (Walmart)

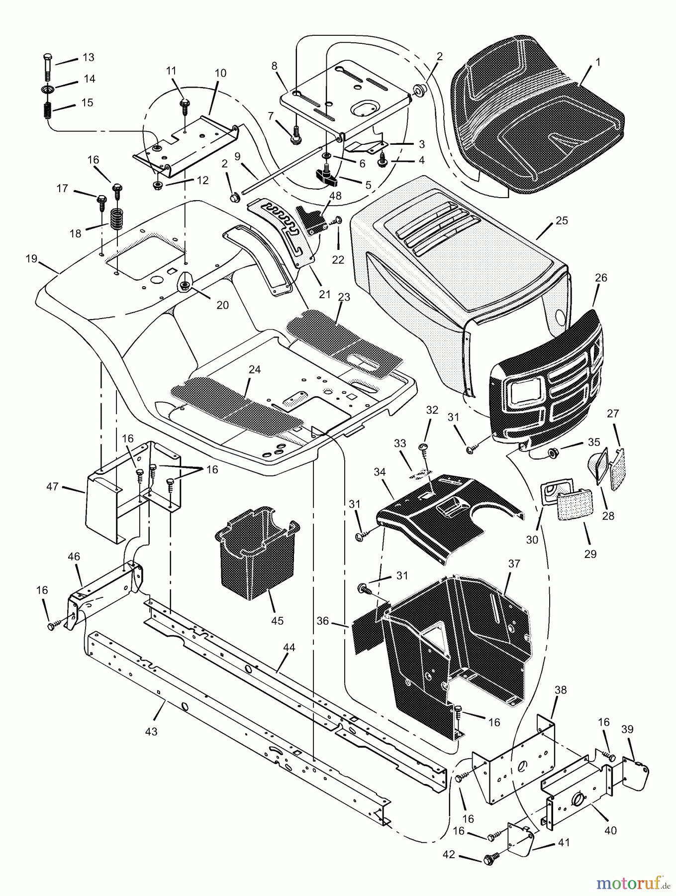
Hier finden Sie die Ersatzteilzeichnung für Murray Rasen- und Gartentraktoren 42576x92D - B&S/Murray 42" Lawn Tractor (2001) (Walmart) Chassis & Hood. Wählen Sie das benötigte Ersatzteil aus der Ersatzteilliste Ihres Murray Gerätes aus und bestellen Sie einfach online. Viele Murray Ersatzteile halten wir ständig in unserem Lager für Sie bereit.




