Murray 425618x48A - B&S/ 42" Lawn Tractor (2003) (Mills) Drive Assembly Ersatzteile
Drive Assembly 425618x48A - B&S/Murray 42" Lawn Tractor (2003) (Mills)

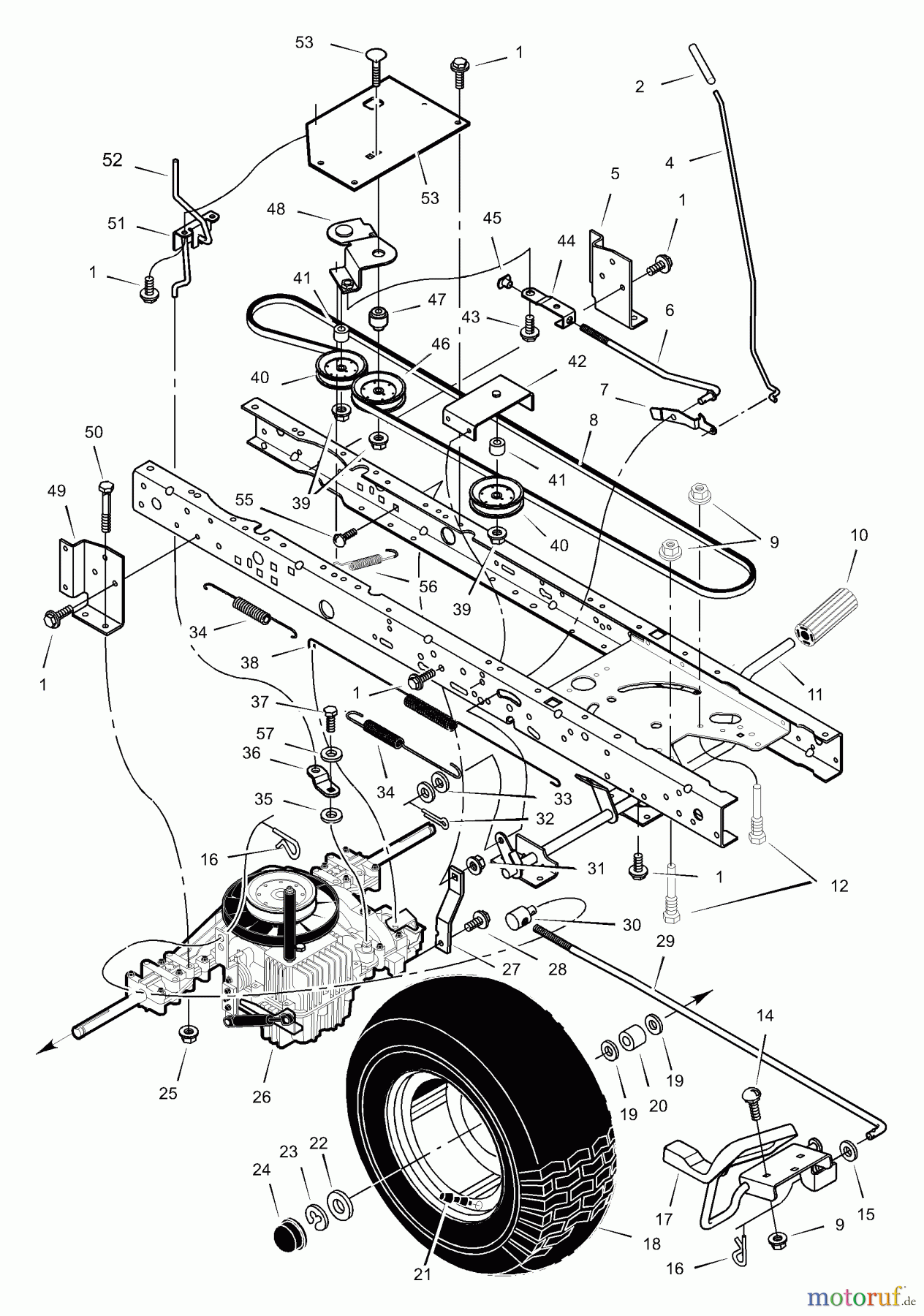
Hier finden Sie die Ersatzteilzeichnung für Murray Rasen- und Gartentraktoren 425618x48A - B&S/Murray 42" Lawn Tractor (2003) (Mills) Drive Assembly. Wählen Sie das benötigte Ersatzteil aus der Ersatzteilliste Ihres Murray Gerätes aus und bestellen Sie einfach online. Viele Murray Ersatzteile halten wir ständig in unserem Lager für Sie bereit.


Qualitätsmanagement
Informieren Sie uns, wenn Sie einen Fehler gefunden haben.





