Murray 425611x99B - B&S/ 42" Lawn Tractor (2001) (AAFES) Drive Assembly Ersatzteile
Drive Assembly 425611x99B - B&S/Murray 42" Lawn Tractor (2001) (AAFES)

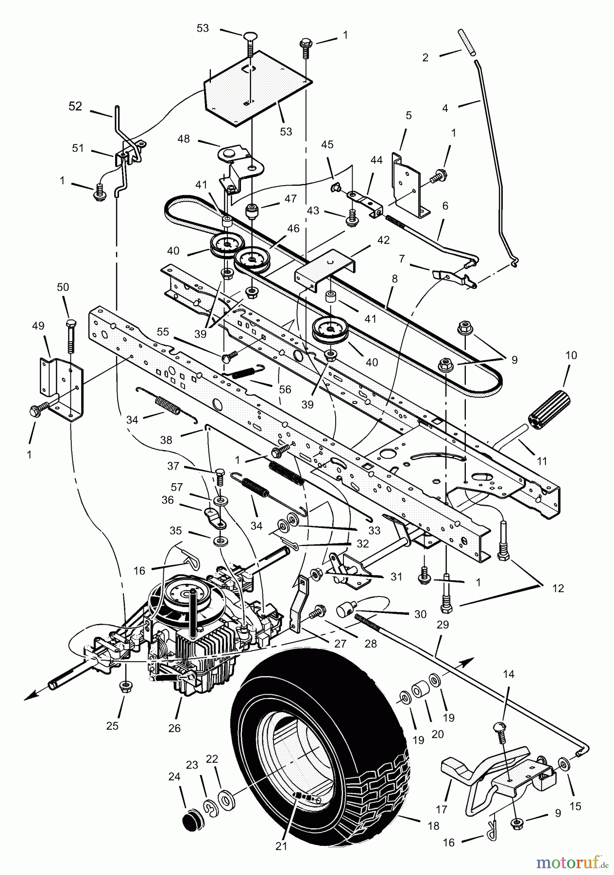
Hier finden Sie die Ersatzteilzeichnung für Murray Rasen- und Gartentraktoren 425611x99B - B&S/Murray 42" Lawn Tractor (2001) (AAFES) Drive Assembly. Wählen Sie das benötigte Ersatzteil aus der Ersatzteilliste Ihres Murray Gerätes aus und bestellen Sie einfach online. Viele Murray Ersatzteile halten wir ständig in unserem Lager für Sie bereit.







