Murray 425600x8A - Scotts 42" Lawn Tractor (2003) (Home Depot) Chassis & Hood Ersatzteile
Chassis & Hood 425600x8A - Scotts 42" Lawn Tractor (2003) (Home Depot)

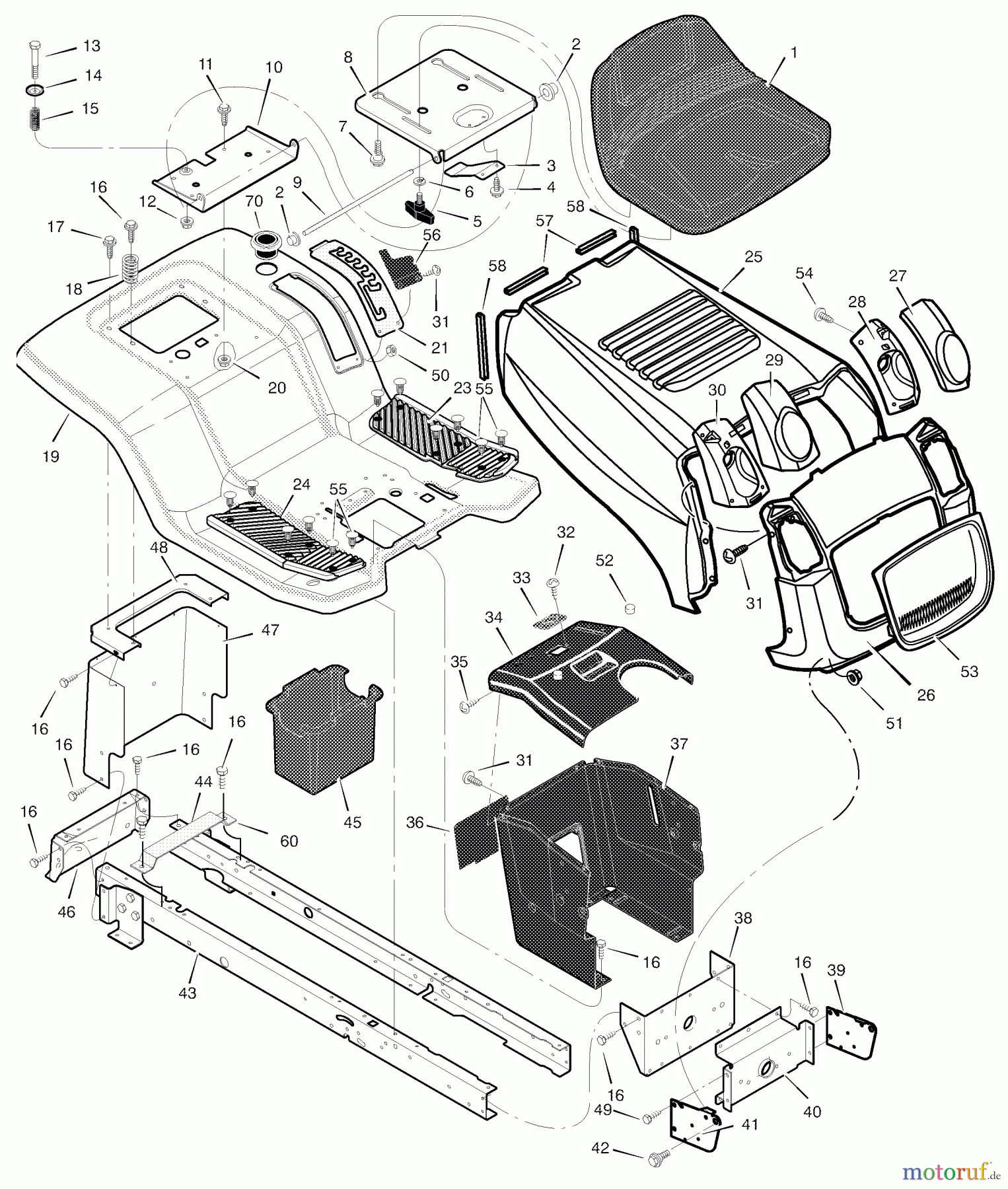
Hier finden Sie die Ersatzteilzeichnung für Murray Rasen- und Gartentraktoren 425600x8A - Scotts 42" Lawn Tractor (2003) (Home Depot) Chassis & Hood. Wählen Sie das benötigte Ersatzteil aus der Ersatzteilliste Ihres Murray Gerätes aus und bestellen Sie einfach online. Viele Murray Ersatzteile halten wir ständig in unserem Lager für Sie bereit.



