Murray 42543x6A - Ultra 42" Lawn Tractor (1997) Mower Housing Suspension Ersatzteile
Mower Housing Suspension 42543x6A - Murray Ultra 42" Lawn Tractor (1997)

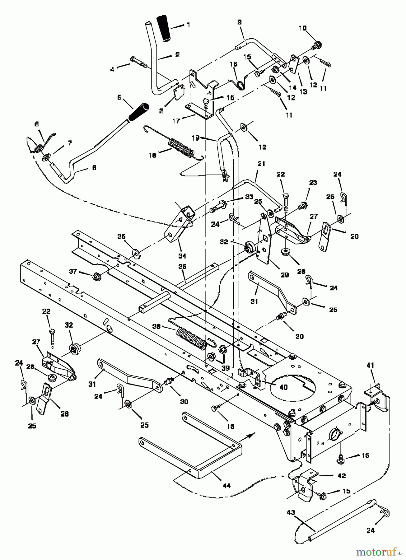
Hier finden Sie die Ersatzteilzeichnung für Murray Rasen- und Gartentraktoren 42543x6A - Murray Ultra 42" Lawn Tractor (1997) Mower Housing Suspension. Wählen Sie das benötigte Ersatzteil aus der Ersatzteilliste Ihres Murray Gerätes aus und bestellen Sie einfach online. Viele Murray Ersatzteile halten wir ständig in unserem Lager für Sie bereit.


Qualitätsmanagement
Informieren Sie uns, wenn Sie einen Fehler gefunden haben.

