Murray 425002x99A - B&S/ 42" Lawn Tractor (2003) (AAFES) Steering Ersatzteile
Steering 425002x99A - B&S/Murray 42" Lawn Tractor (2003) (AAFES)

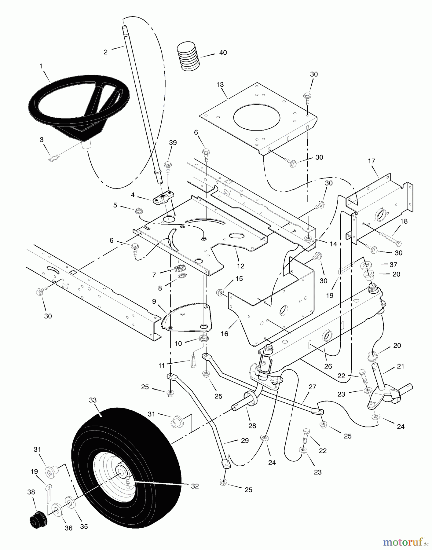
Hier finden Sie die Ersatzteilzeichnung für Murray Rasen- und Gartentraktoren 425002x99A - B&S/Murray 42" Lawn Tractor (2003) (AAFES) Steering. Wählen Sie das benötigte Ersatzteil aus der Ersatzteilliste Ihres Murray Gerätes aus und bestellen Sie einfach online. Viele Murray Ersatzteile halten wir ständig in unserem Lager für Sie bereit.


Qualitätsmanagement
Informieren Sie uns, wenn Sie einen Fehler gefunden haben.



