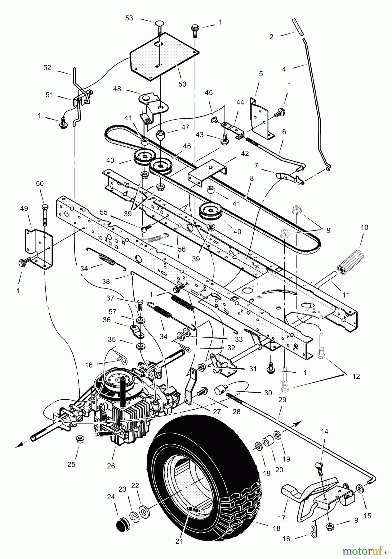
Murray 38560x181B - B&S/ 38" Lawn Tractor (2001) (Canada Power Tech Ltd) Drive Assembly Ersatzteile
Drive Assembly 38560x181B - B&S/Murray 38" Lawn Tractor (2001) (Canada Power Tech Ltd)

Hier finden Sie die Ersatzteilzeichnung für Murray Rasen- und Gartentraktoren 38560x181B - B&S/Murray 38" Lawn Tractor (2001) (Canada Power Tech Ltd) Drive Assembly. Wählen Sie das benötigte Ersatzteil aus der Ersatzteilliste Ihres Murray Gerätes aus und bestellen Sie einfach online. Viele Murray Ersatzteile halten wir ständig in unserem Lager für Sie bereit.


Qualitätsmanagement
Informieren Sie uns, wenn Sie einen Fehler gefunden haben.





