Murray 107.250060 (2691087-00) - Craftsman CTX9500, 52" Lawn Tractor Steering Group - Manual Steering (2986283) Ersatzteile
Steering Group - Manual Steering (2986283) 107.250060 (2691087-00) - Craftsman CTX9500, 52" Lawn Tractor

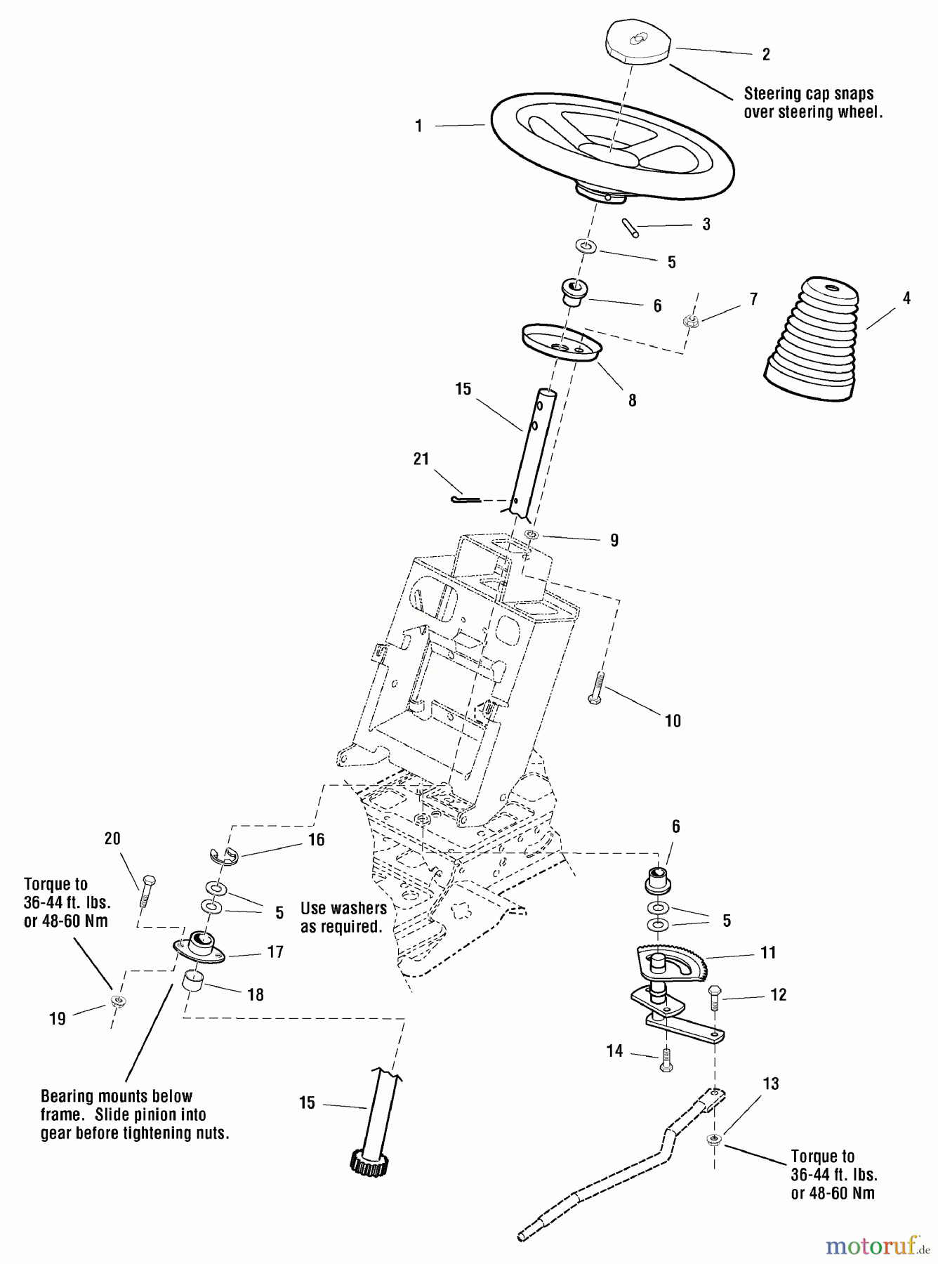
Hier finden Sie die Ersatzteilzeichnung für Murray Rasen- und Gartentraktoren 107.250060 (2691087-00) - Craftsman CTX9500, 52" Lawn Tractor Steering Group - Manual Steering (2986283). Wählen Sie das benötigte Ersatzteil aus der Ersatzteilliste Ihres Murray Gerätes aus und bestellen Sie einfach online. Viele Murray Ersatzteile halten wir ständig in unserem Lager für Sie bereit.


Qualitätsmanagement
Informieren Sie uns, wenn Sie einen Fehler gefunden haben.

