Murray 107.250060 (2691087-00) - Craftsman CTX9500, 52" Lawn Tractor Frame Group - Manual Steering (2986747) Ersatzteile
Frame Group - Manual Steering (2986747) 107.250060 (2691087-00) - Craftsman CTX9500, 52" Lawn Tractor

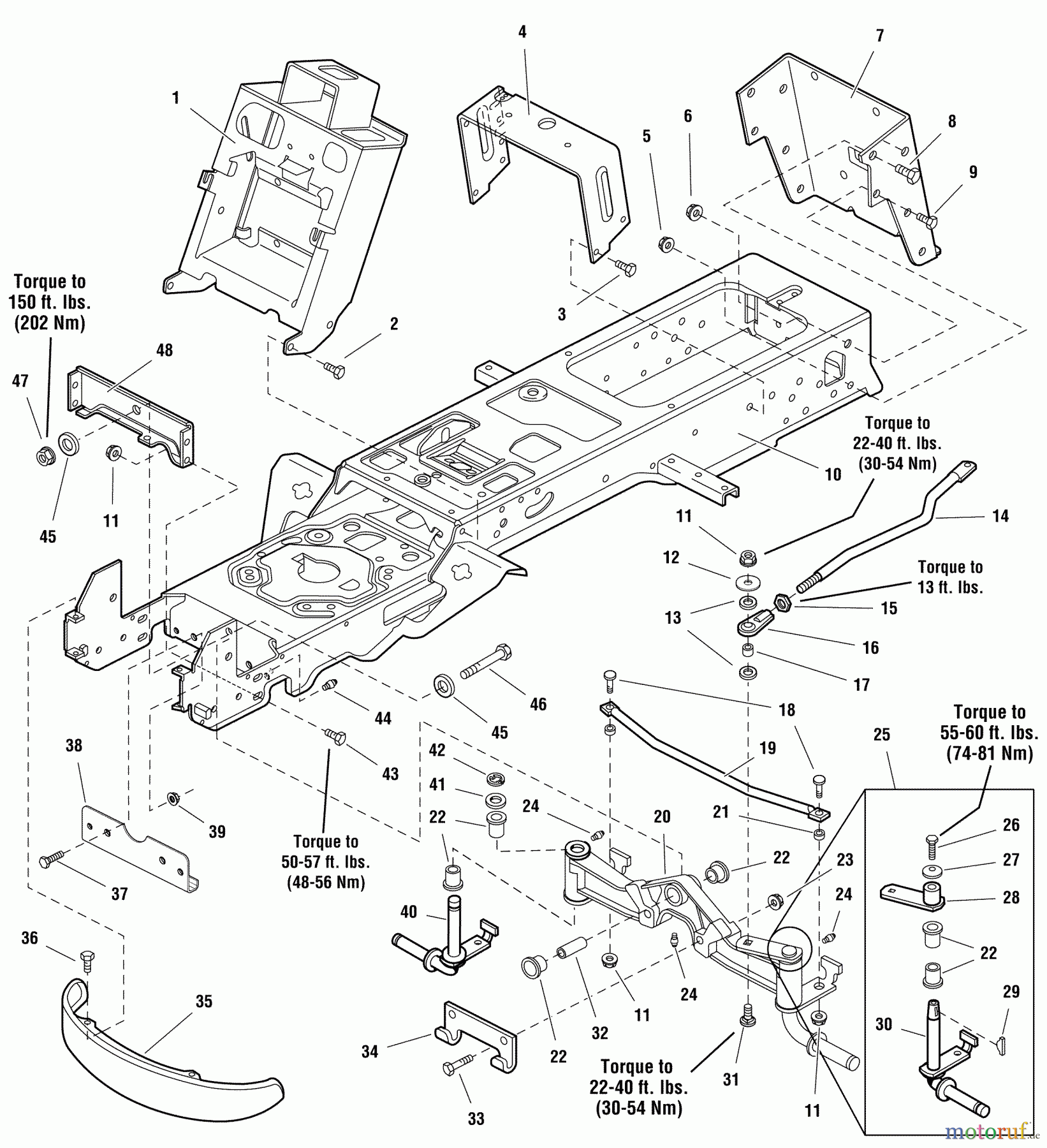
Hier finden Sie die Ersatzteilzeichnung für Murray Rasen- und Gartentraktoren 107.250060 (2691087-00) - Craftsman CTX9500, 52" Lawn Tractor Frame Group - Manual Steering (2986747). Wählen Sie das benötigte Ersatzteil aus der Ersatzteilliste Ihres Murray Gerätes aus und bestellen Sie einfach online. Viele Murray Ersatzteile halten wir ständig in unserem Lager für Sie bereit.



