Murray 24768A - Accessory Kit (1998) Baffle Assembly Ersatzteile
Baffle Assembly 24768A - Murray Accessory Kit (1998)

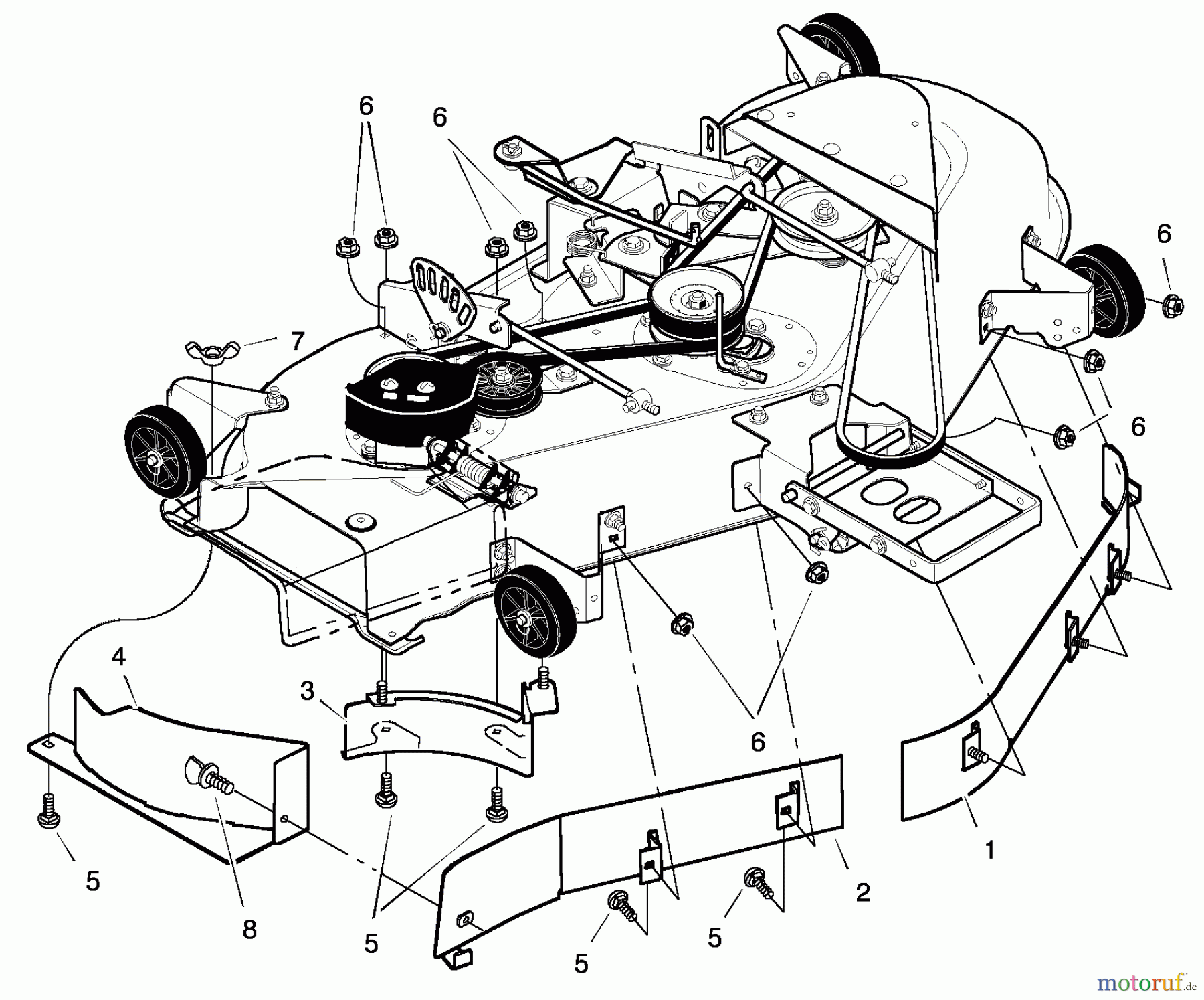
Hier finden Sie die Ersatzteilzeichnung für Murray Rasenmäherzubehör 24768A - Murray Accessory Kit (1998) Baffle Assembly. Wählen Sie das benötigte Ersatzteil aus der Ersatzteilliste Ihres Murray Gerätes aus und bestellen Sie einfach online. Viele Murray Ersatzteile halten wir ständig in unserem Lager für Sie bereit.
| BildNr | Artikel Nummer | Bezeichnung | |
| 1 | BS95342E701 | ||
| 2 | BS95344E701 | ||
| 3 | BS690135E701 | ||
| 4 | BS690091E701 | ||
| 5 | BS002X64MA | BOLT-CRG.31-18X0.75 | |
| 6 | BS015X79MA | NUT.31-18 FLANGELOCK | |
| 7 | BS014X86MA | NUT .31-18 WINGNUT | |
| 8 | BS06X106 | ||


Qualitätsmanagement
Informieren Sie uns, wenn Sie einen Fehler gefunden haben.

