Murray 24583 - 40" Snow Thrower, Tractor Mounted (2002) Snow Thrower Assembly Ersatzteile
Snow Thrower Assembly 24583 - Murray 40" Snow Thrower, Tractor Mounted (2002)

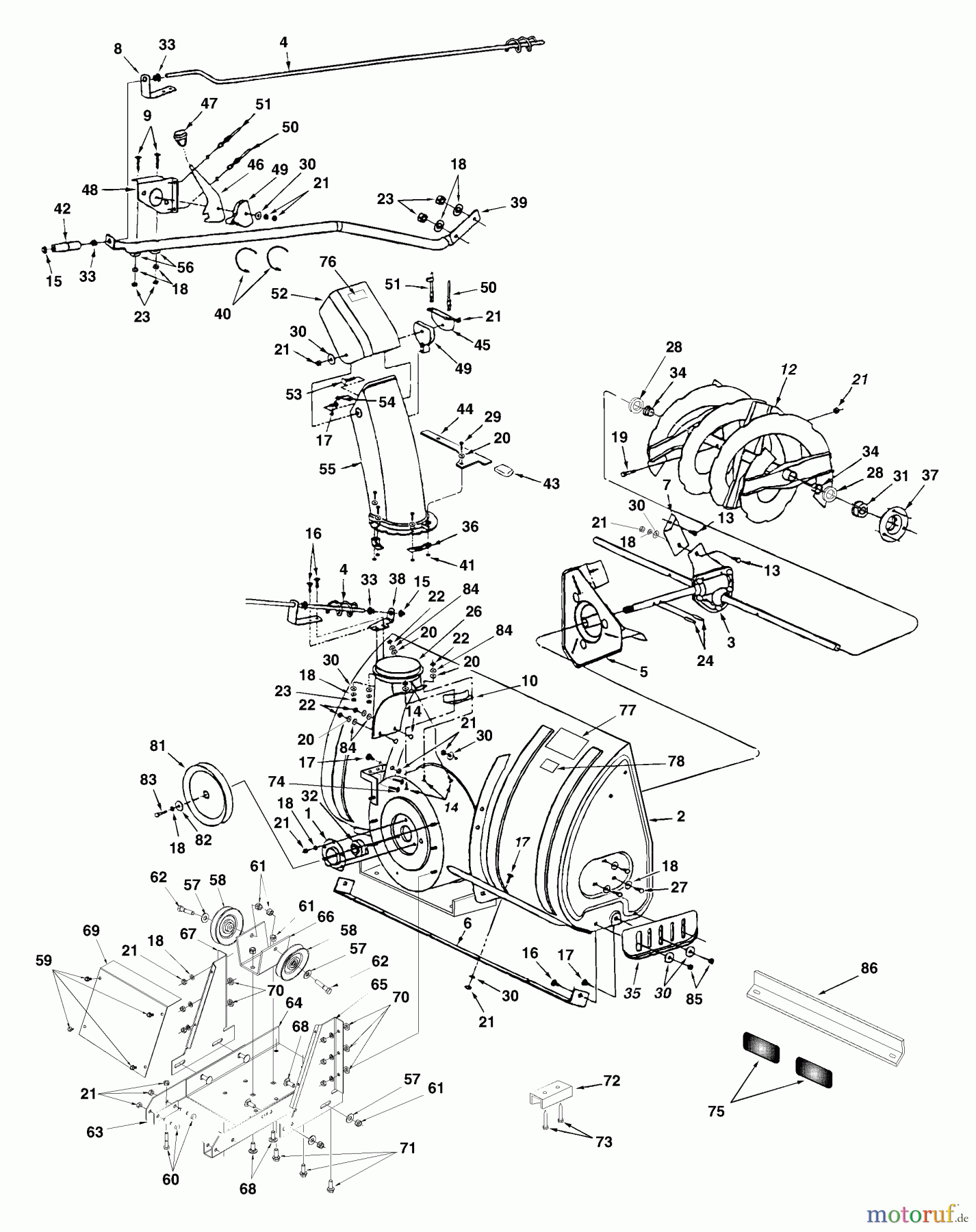
Hier finden Sie die Ersatzteilzeichnung für Murray Rasenmäherzubehör 24583 - Murray 40" Snow Thrower, Tractor Mounted (2002) Snow Thrower Assembly. Wählen Sie das benötigte Ersatzteil aus der Ersatzteilliste Ihres Murray Gerätes aus und bestellen Sie einfach online. Viele Murray Ersatzteile halten wir ständig in unserem Lager für Sie bereit.




