MTD ECS 2000/40 41AZ060-678 (2019) Ersatzteile
41AZ060-678 (2019) ECS 2000/40

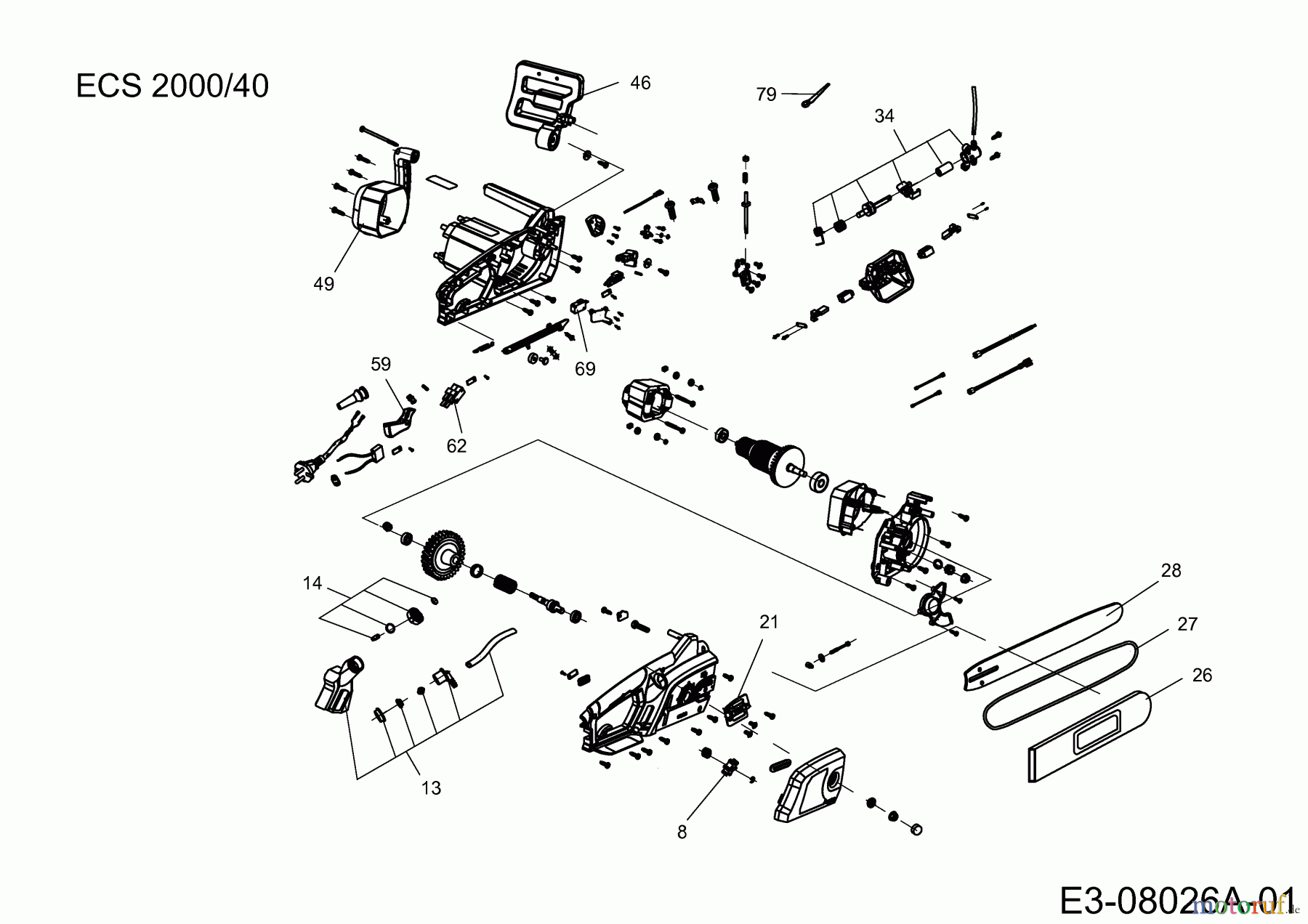
Hier finden Sie die Ersatzteilzeichnung für MTD Elektrokettensägen ECS 2000/40 41AZ060-678 (2019) Grundgerät. Wählen Sie das benötigte Ersatzteil aus der Ersatzteilliste Ihres MTD Gerätes aus und bestellen Sie einfach online. Viele MTD Ersatzteile halten wir ständig in unserem Lager für Sie bereit.


Qualitätsmanagement
Informieren Sie uns, wenn Sie einen Fehler gefunden haben.


