MTD ME 53 31AR2T1E678 (2020) Fräsgehäuse, Schnecke, Unterholm Ersatzteile
Fräsgehäuse, Schnecke, Unterholm 31AR2T1E678 (2020)

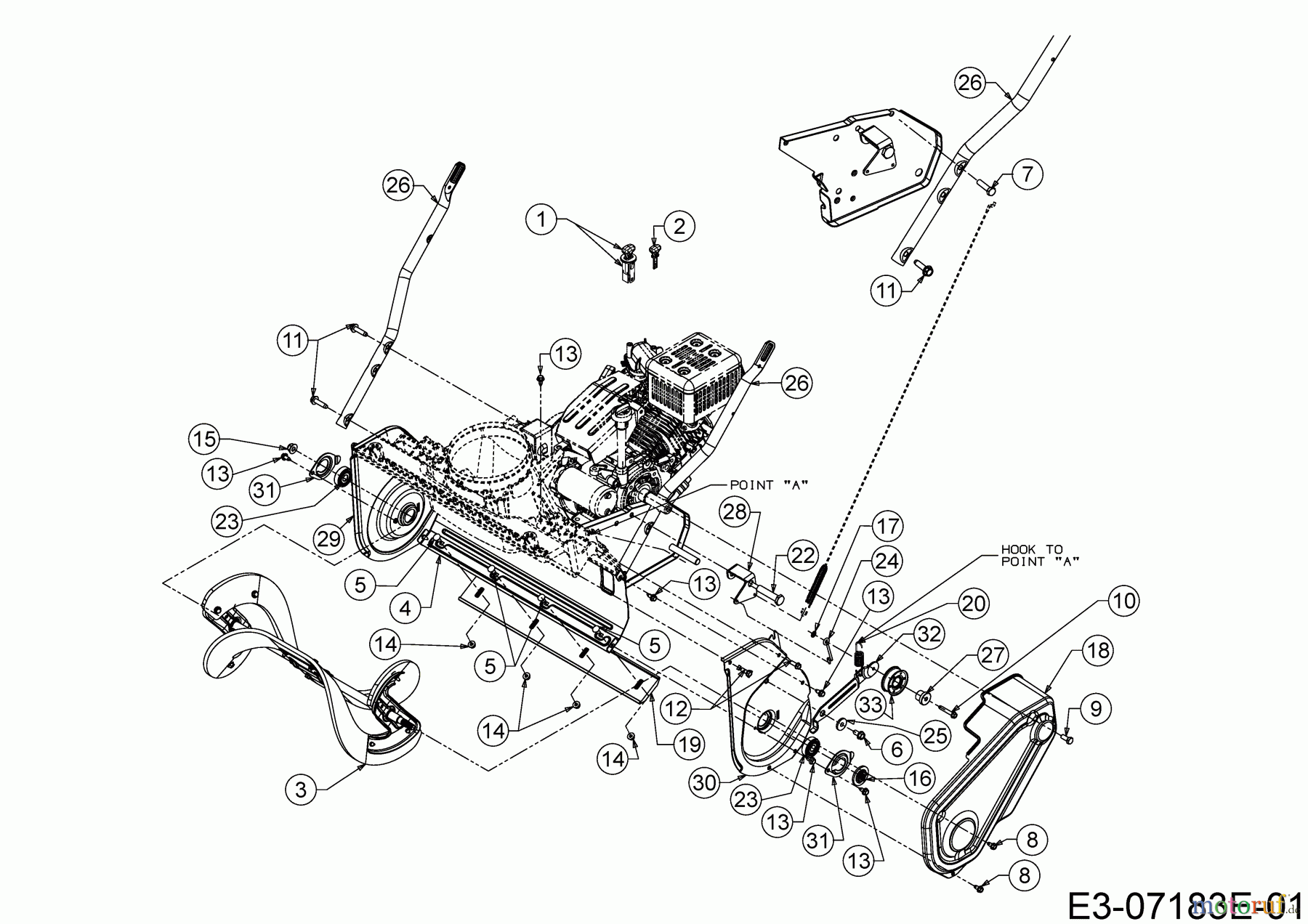
Hier finden Sie die Ersatzteilzeichnung für MTD Schneefräsen ME 53 31AR2T1E678 (2020) Fräsgehäuse, Schnecke, Unterholm. Wählen Sie das benötigte Ersatzteil aus der Ersatzteilliste Ihres MTD Gerätes aus und bestellen Sie einfach online. Viele MTD Ersatzteile halten wir ständig in unserem Lager für Sie bereit.


Qualitätsmanagement
Informieren Sie uns, wenn Sie einen Fehler gefunden haben.












