MTD Optima ME 76 31AY5DT5678 (2019) Armaturenbrett Ersatzteile
Armaturenbrett 31AY5DT5678 (2019)

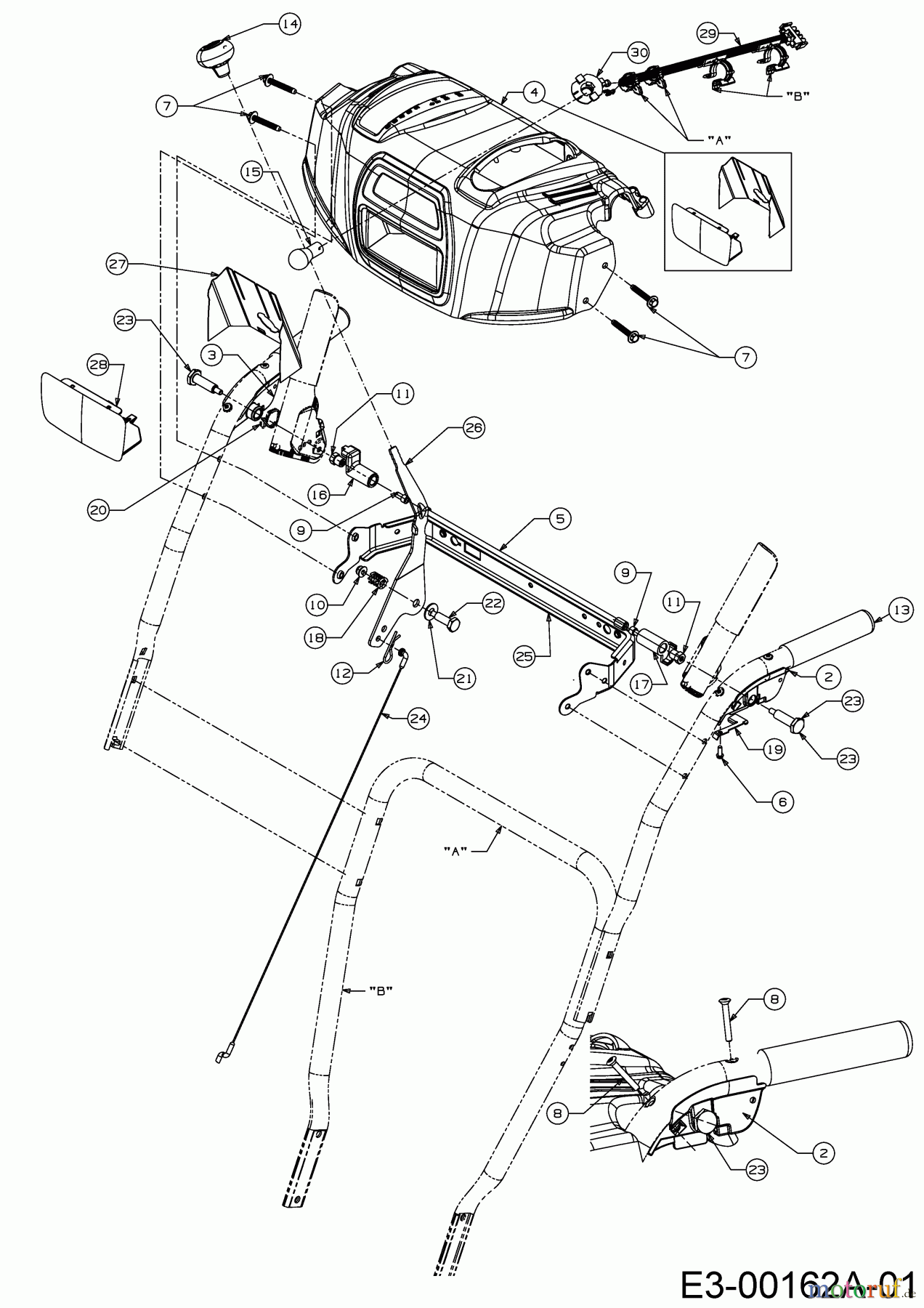
Hier finden Sie die Ersatzteilzeichnung für MTD Schneefräsen Optima ME 76 31AY5DT5678 (2019) Armaturenbrett. Wählen Sie das benötigte Ersatzteil aus der Ersatzteilliste Ihres MTD Gerätes aus und bestellen Sie einfach online. Viele MTD Ersatzteile halten wir ständig in unserem Lager für Sie bereit.
Häufig benötigte MTD Optima ME 76 31AY5DT5678 (2019) Armaturenbrett Ersatzteile

Artikelnummer: 725-1649
Suche nach: 725-1649
Hersteller: MTD
MTD Ersatzteil Armaturenbrett
Suche nach: 725-1649
Hersteller: MTD
MTD Ersatzteil Armaturenbrett
7.18 €
für EU incl. MwSt., zzgl. Versand








