MTD LMEX 46 KHT 12C-TH7D682 (2019) Mähwerksgehäuse, Waschdüse Ersatzteile
Mähwerksgehäuse, Waschdüse 12C-TH7D682 (2019)

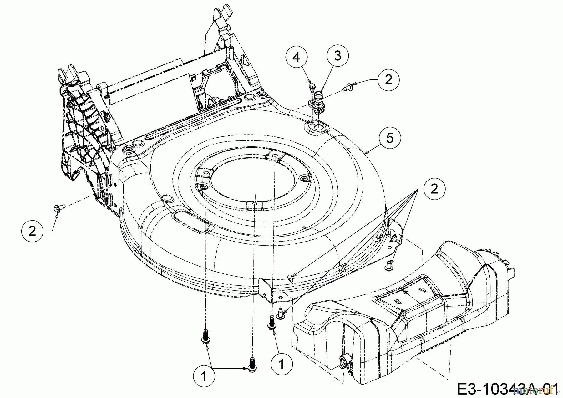
Hier finden Sie die Ersatzteilzeichnung für MTD Motormäher mit Antrieb LMEX 46 KHT 12C-TH7D682 (2019) Mähwerksgehäuse, Waschdüse. Wählen Sie das benötigte Ersatzteil aus der Ersatzteilliste Ihres MTD Gerätes aus und bestellen Sie einfach online. Viele MTD Ersatzteile halten wir ständig in unserem Lager für Sie bereit.


Qualitätsmanagement
Informieren Sie uns, wenn Sie einen Fehler gefunden haben.




