MTD BE 53 HWBIS 12BEPD7E676 (2019) Mähwerksgehäuse Ersatzteile
Mähwerksgehäuse 12BEPD7E676 (2019)

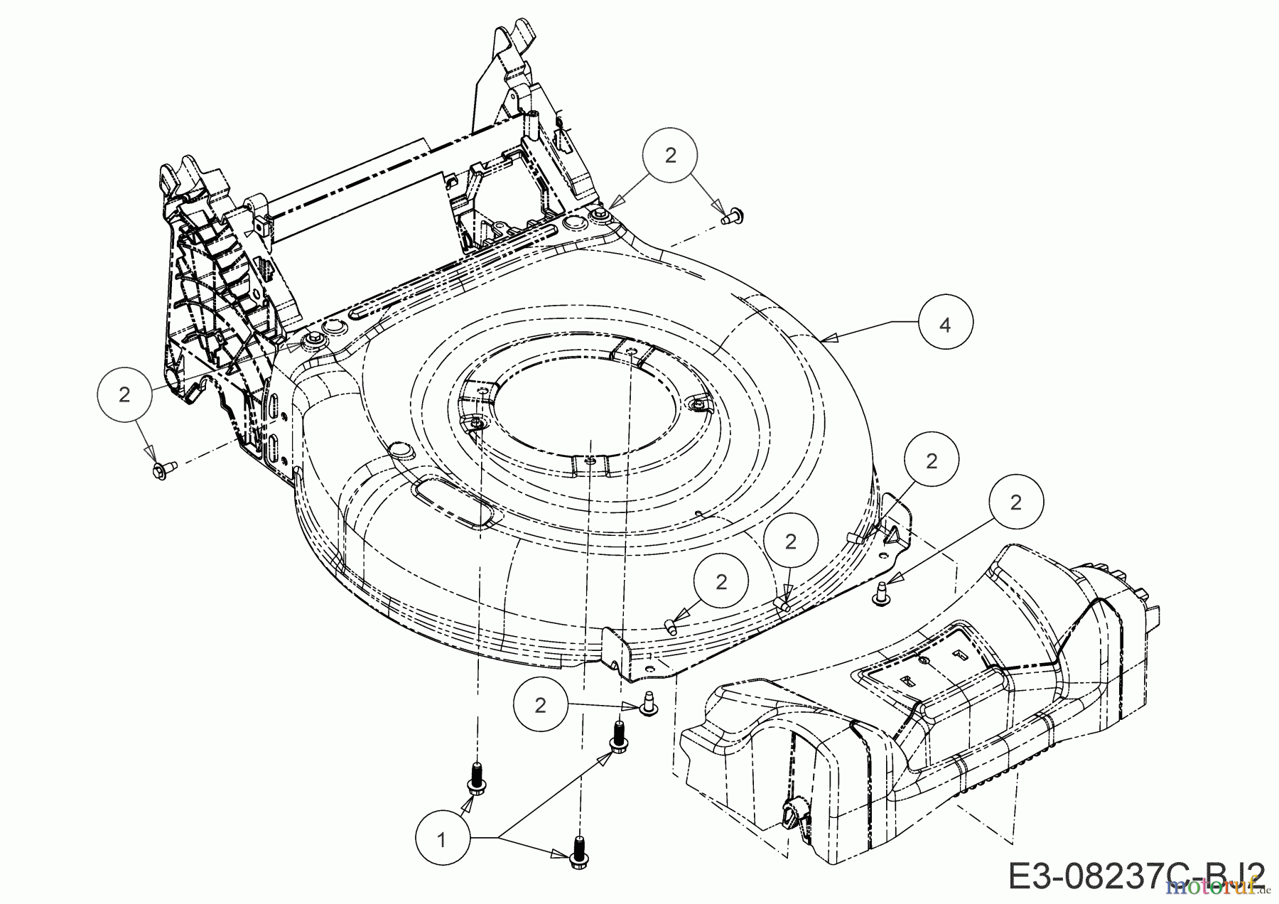
Hier finden Sie die Ersatzteilzeichnung für MTD Motormäher mit Antrieb BE 53 HWBIS 12BEPD7E676 (2019) Mähwerksgehäuse. Wählen Sie das benötigte Ersatzteil aus der Ersatzteilliste Ihres MTD Gerätes aus und bestellen Sie einfach online. Viele MTD Ersatzteile halten wir ständig in unserem Lager für Sie bereit.
| BildNr | Artikel Nummer | Bezeichnung | |
| 1 | ![]() | 710-04683C | 6KT-SCHRAUBE:TT:3/8-16:1.000 |
| 2 | ![]() | 710-07434 | LINSENKOPFSCHR:8mm-3.59:20 |
| 4 | 787-03737691 | MÄHWERKSGEHÄUSE 21" 2IN1 | |


Qualitätsmanagement
Informieren Sie uns, wenn Sie einen Fehler gefunden haben.



