MTD LMEX 53 K 12C-PH7D682 (2020) Getriebe, Keilriemen Ersatzteile
Getriebe, Keilriemen 12C-PH7D682 (2020)

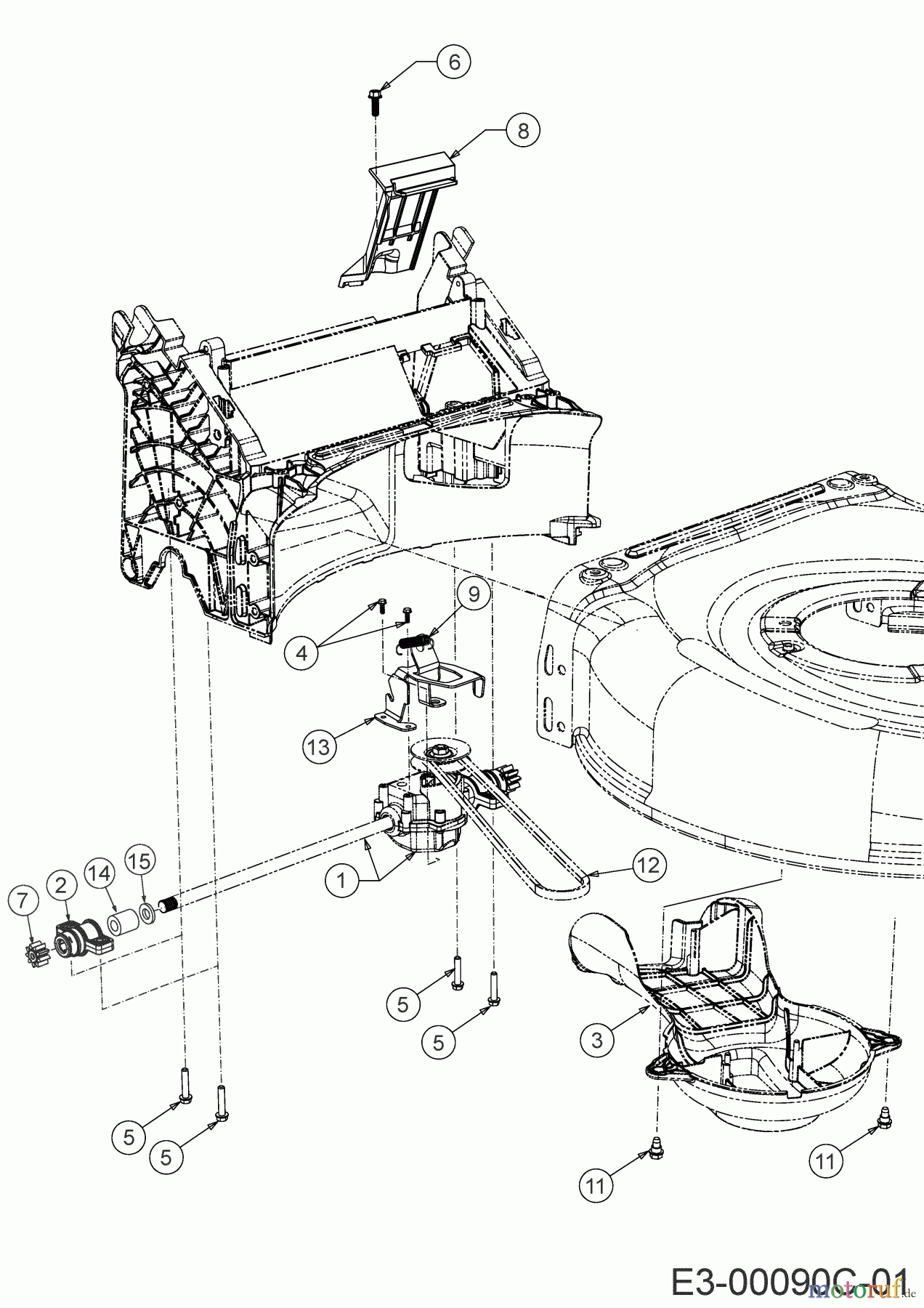
Hier finden Sie die Ersatzteilzeichnung für MTD Motormäher mit Antrieb LMEX 53 K 12C-PH7D682 (2020) Getriebe, Keilriemen. Wählen Sie das benötigte Ersatzteil aus der Ersatzteilliste Ihres MTD Gerätes aus und bestellen Sie einfach online. Viele MTD Ersatzteile halten wir ständig in unserem Lager für Sie bereit.











