MTD Advance 53 SPKVHW 12AKPN7D600 (2020) Schaltbügel Ersatzteile
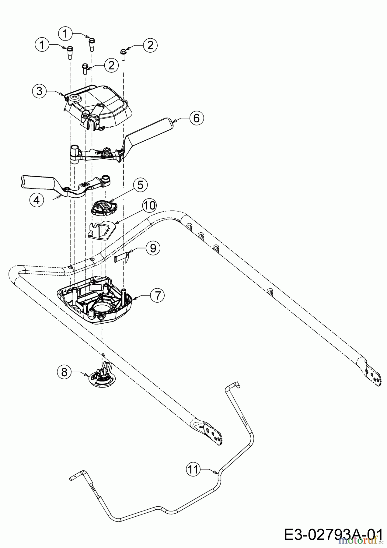
Schaltbügel 12AKPN7D600 (2020)

Hier finden Sie die Ersatzteilzeichnung für MTD Motormäher mit Antrieb Advance 53 SPKVHW 12AKPN7D600 (2020) Schaltbügel. Wählen Sie das benötigte Ersatzteil aus der Ersatzteilliste Ihres MTD Gerätes aus und bestellen Sie einfach online. Viele MTD Ersatzteile halten wir ständig in unserem Lager für Sie bereit.


Qualitätsmanagement
Informieren Sie uns, wenn Sie einen Fehler gefunden haben.


