MTD Optima 53 SPBHW 12C-PH5L600 (2019) Getriebe, Keilriemen ab 01.02.2019 Ersatzteile
Getriebe, Keilriemen ab 01.02.2019 12C-PH5L600 (2019)

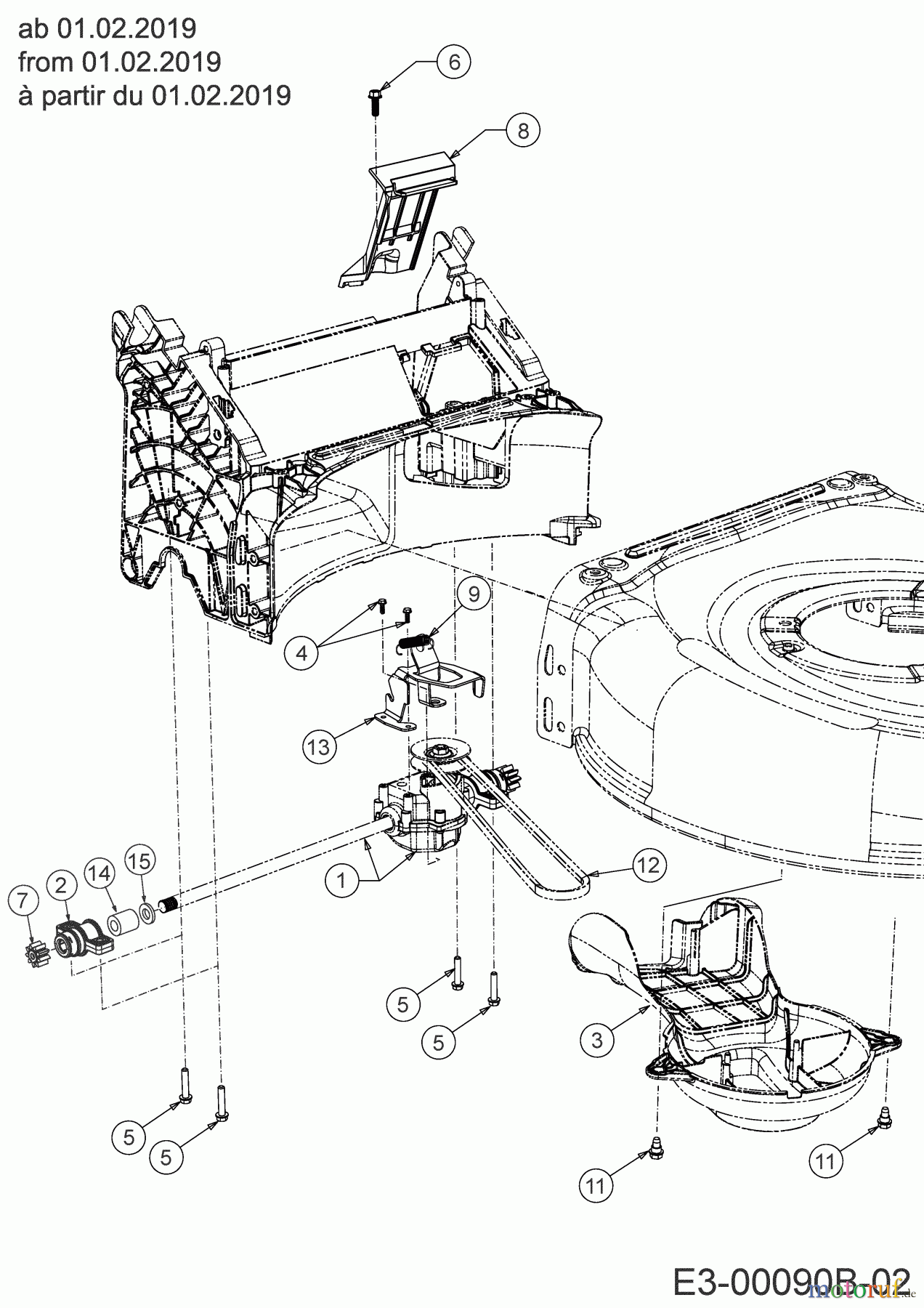
Hier finden Sie die Ersatzteilzeichnung für MTD Motormäher mit Antrieb Optima 53 SPBHW 12C-PH5L600 (2019) Getriebe, Keilriemen ab 01.02.2019. Wählen Sie das benötigte Ersatzteil aus der Ersatzteilliste Ihres MTD Gerätes aus und bestellen Sie einfach online. Viele MTD Ersatzteile halten wir ständig in unserem Lager für Sie bereit.


Qualitätsmanagement
Informieren Sie uns, wenn Sie einen Fehler gefunden haben.









