Jonsered RS44 - String/Brush Trimmer (1993-05) CYLINDER CRANKCASE Ersatzteile
CYLINDER CRANKCASE RS44 - Jonsered String/Brush Trimmer (1993-05)

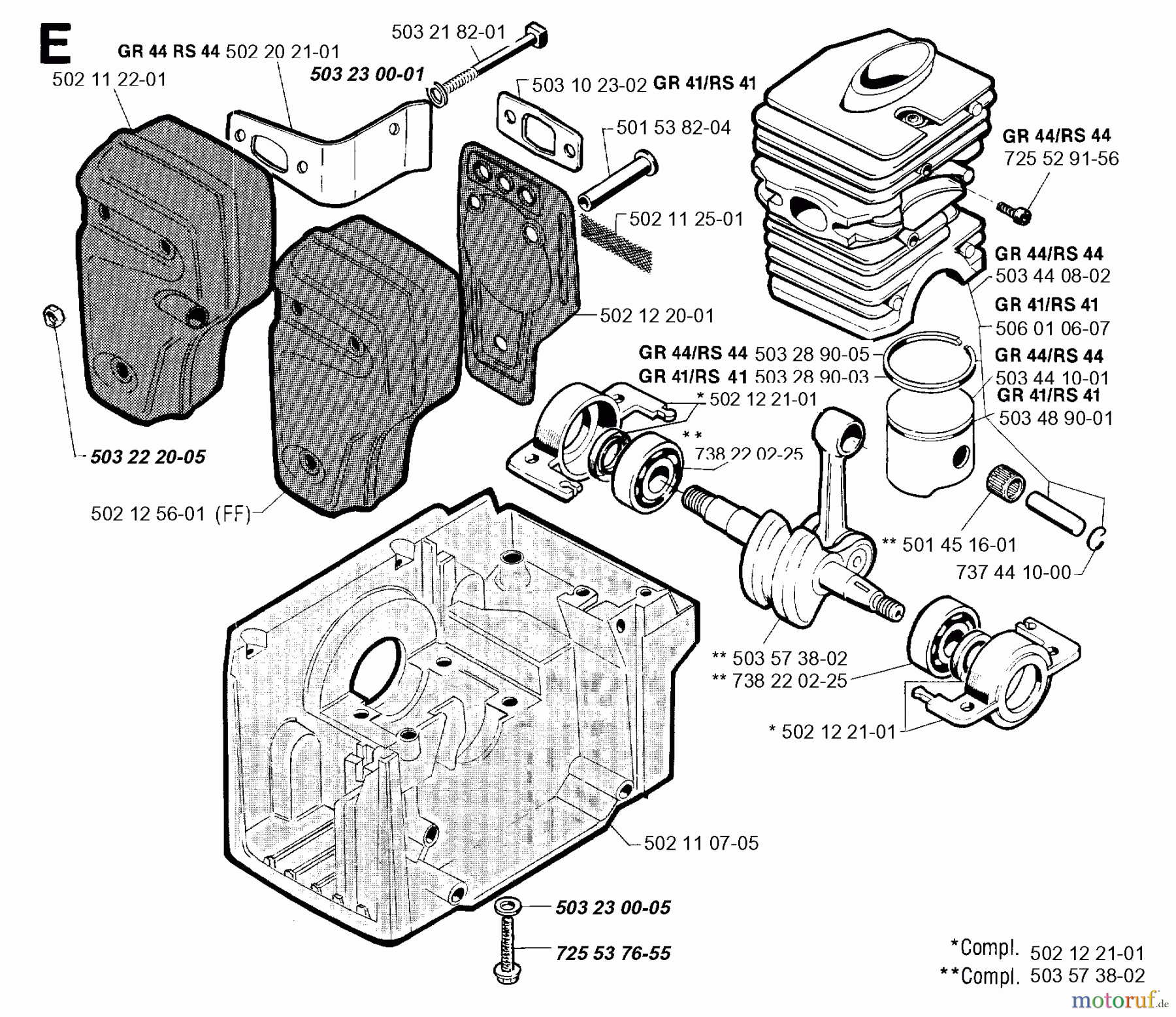
Hier finden Sie die Ersatzteilzeichnung für Jonsered Motorsensen, Trimmer RS44 - Jonsered String/Brush Trimmer (1993-05) CYLINDER CRANKCASE. Wählen Sie das benötigte Ersatzteil aus der Ersatzteilliste Ihres Jonsered Gerätes aus und bestellen Sie einfach online. Viele Jonsered Ersatzteile halten wir ständig in unserem Lager für Sie bereit.
| BildNr | Artikel Nummer | Bezeichnung | |
| 5022021-01 | 502 20 21-01 | ABLENKER | |
| 5021122-01 | 502 12 56-02 | AUSPUFF KPL.(SA) | |
| 5032220-05 | ![]() | 503 22 23-02 | MUTTER |
| 5021256-01 | 502 12 56-01 | SILENCER | |
| 7255376-55 | 725 53 76-55 | SCHRAUBE | |
| 5032300-05 | 503 23 00-05 | SCHEIBE | |
| 5021107-05 | 502 11 07-05 | KURBELGEHAEUSE | |
| 5032300-01 | 503 23 00-01 | SCHEIBE | |
| 5032182-01 | 503 21 82-01 | SCHRAUBE | |
| 5031023-02 | 502 20 21-01 | ABLENKER | |
| 5015382-04 | 501 53 82-04 | HUELSE | |
| 5021125-01 | 502 11 25-01 | SCREEN | |
| 5021220-01 | 502 12 20-01 | PLATE | |
| 5032890-05 | 503 28 90-05 | KOLBENRING | |
| 5032890-03 | 544 11 62-01 | KOLBENRING | |
| 5021221-01 | 502 12 21-02 | SEAT | |
| 7382202-25 | 738 22 02-25 | KUGELLAGER | |
| 5035738-02 | 503 57 38-04 | CRANKSHAFT, CPL. | |
| 7374410-00 | 737 44 10-00 | Sicherungsring | |
| 5014516-01 | 503 25 63-01 | NADELLAGER | |
| 5034890-01 | 503 48 90-02 | KOLBEN KPL | |
| 5034410-01 | 503 44 10-02 | KOLBEN KPL | |
| 5060106-07 | 503 62 55-02 | ZYLINDER KPL. | |
| 5034408-02 | 503 44 08-02 | ZYLINDER KPL. | |
| 7255291-56 | 725 52 91-55 | SCHRAUBE | |


Qualitätsmanagement
Informieren Sie uns, wenn Sie einen Fehler gefunden haben.


