Jonsered GR32 - String/Brush Trimmer (1996-06) CYLINDER CRANKCASE Ersatzteile
CYLINDER CRANKCASE GR32 - Jonsered String/Brush Trimmer (1996-06)

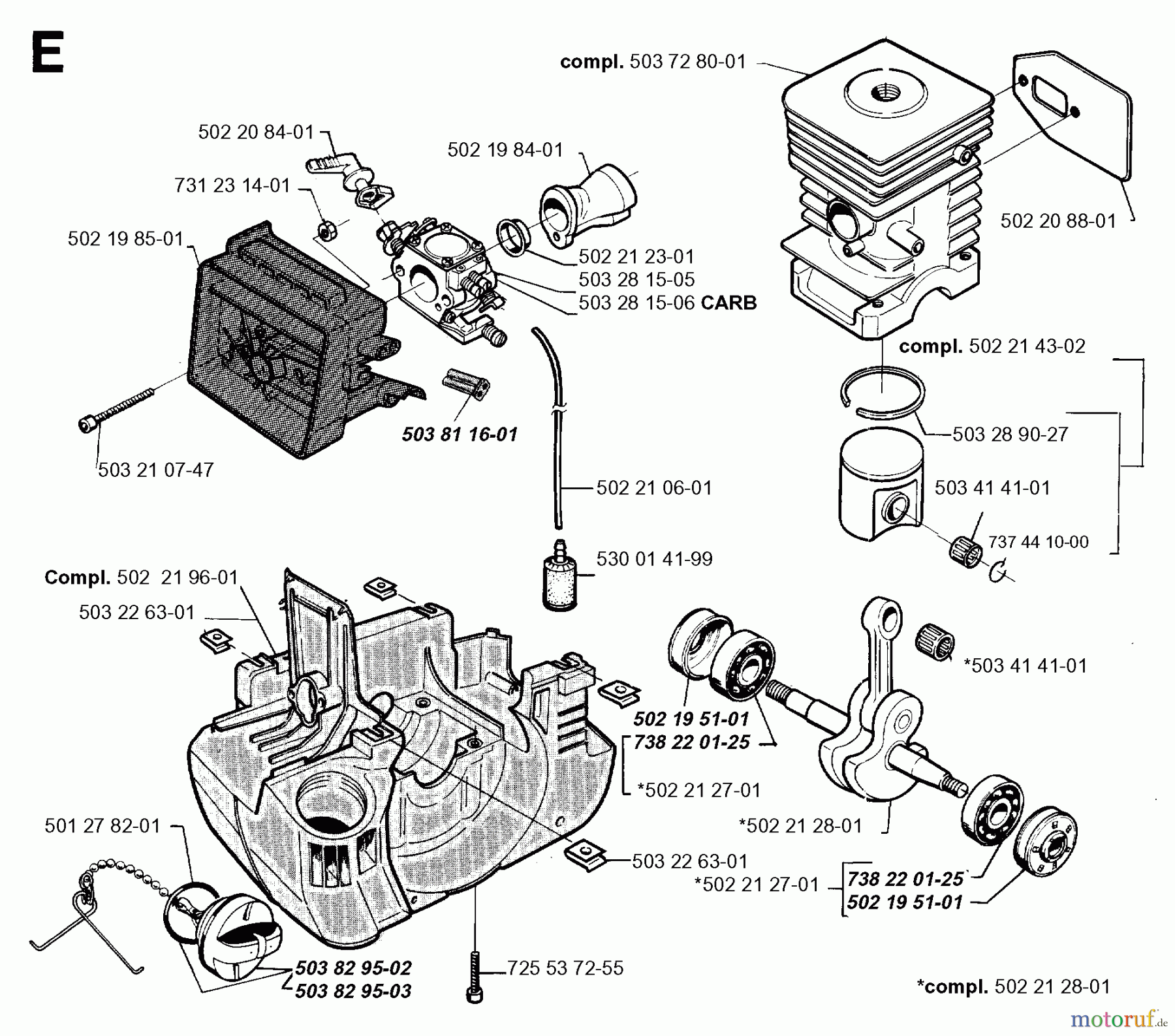
Hier finden Sie die Ersatzteilzeichnung für Jonsered Motorsensen, Trimmer GR32 - Jonsered String/Brush Trimmer (1996-06) CYLINDER CRANKCASE. Wählen Sie das benötigte Ersatzteil aus der Ersatzteilliste Ihres Jonsered Gerätes aus und bestellen Sie einfach online. Viele Jonsered Ersatzteile halten wir ständig in unserem Lager für Sie bereit.
| BildNr | Artikel Nummer | Bezeichnung | |
| 5022084-01 | 502 20 84-01 | STARTERKLAPPE | |
| 7312314-01 | ![]() | 731 23 14-01 | MUTTER |
| 5021985-01 | 502 19 85-01 | HALTER | |
| 5032107-47 | 503 21 07-50 | SCHRAUBE | |
| 5022196-01 | 503 92 22-01 | KURBELGEHAEUSE | |
| 5032263-01 | 503 22 72-01 | MUTTER | |
| 5012782-01 | ![]() | 501 27 82-01 | SCHEIBE |
| 5038295-03 | 503 82 80-03 | TANK CAP | |
| 5038295-02 | 503 82 80-01 | TANK CAP | |
| 7255372-55 | 725 53 72-55 | SCHRAUBE | |
| 5038116-01 | 503 81 16-01 | FUEHRUNGSHUELSE | |
| 5021984-01 | 502 19 84-01 | VERGASERANSCHLUSS | |
| 5037280-01 | 503 72 80-01 | ZYLINDER M.KOLBEN | |
| 5022123-01 | 502 21 23-01 | FUEHRUNG | |
| 5032815-05 | 503 28 15-17 | VERGASER | |
| 5032815-06 | 503 28 15-06 | CARBURETOR | |
| 5022106-01 | 502 21 06-01 | BENZINSCHLAUCH | |
| 5300141-99 | 530 01 43-62 | FILTER | |
| 5021951-01 | 503 91 07-01 | DICHTUNGSRING | |
| 7382201-25 | 738 22 01-25 | KUGELLAGER 12 X 32 | |
| 5022127-01 | 503 91 34-01 | KUGELLAGER | |
| 5022128-01 | 502 21 28-03 | CRANKSHAFT | |
| 5034141-01 | 503 41 41-01 | NADELLAGER | |
| 7374410-00 | 737 44 10-00 | Sicherungsring | |
| 5032890-27 | 503 28 90-27 | KOLBENRING | |
| 5022143-02 | 502 21 43-02 | KOLBEN KPL. | |
| 5022088-01 | 502 20 88-01 | DICHTUNG | |


Qualitätsmanagement
Informieren Sie uns, wenn Sie einen Fehler gefunden haben.



