Jonsered GR28L - String/Brush Trimmer (1993-02) ENGINE #2 Ersatzteile
ENGINE #2 GR28L - Jonsered String/Brush Trimmer (1993-02)

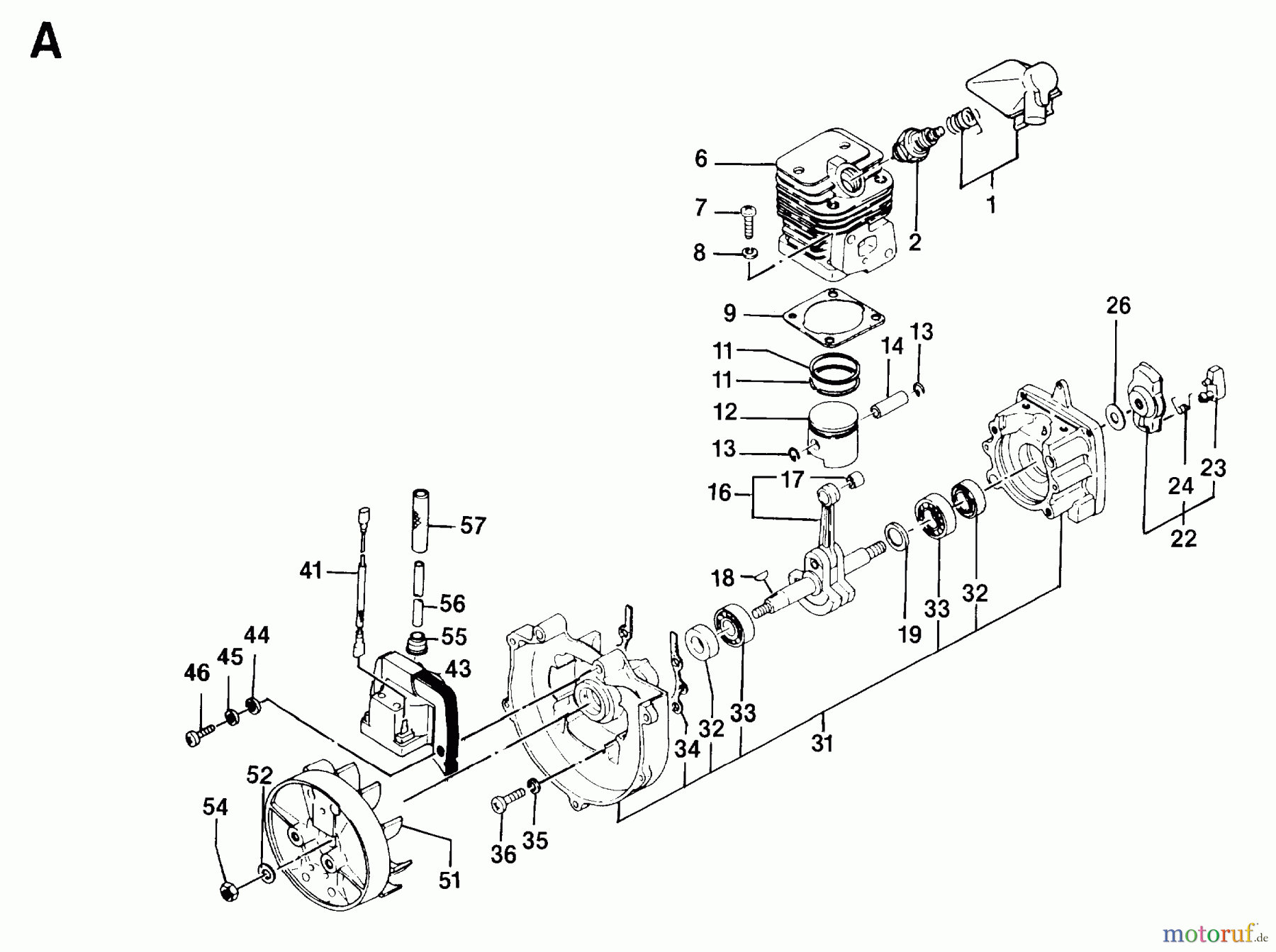
Hier finden Sie die Ersatzteilzeichnung für Jonsered Motorsensen, Trimmer GR28L - Jonsered String/Brush Trimmer (1993-02) ENGINE #2. Wählen Sie das benötigte Ersatzteil aus der Ersatzteilliste Ihres Jonsered Gerätes aus und bestellen Sie einfach online. Viele Jonsered Ersatzteile halten wir ständig in unserem Lager für Sie bereit.


Qualitätsmanagement
Informieren Sie uns, wenn Sie einen Fehler gefunden haben.



