Jonsered GR2026 - String/Brush Trimmer (2002-08) CARBURETOR AIR FILTER Ersatzteile
CARBURETOR AIR FILTER GR2026 - Jonsered String/Brush Trimmer (2002-08)

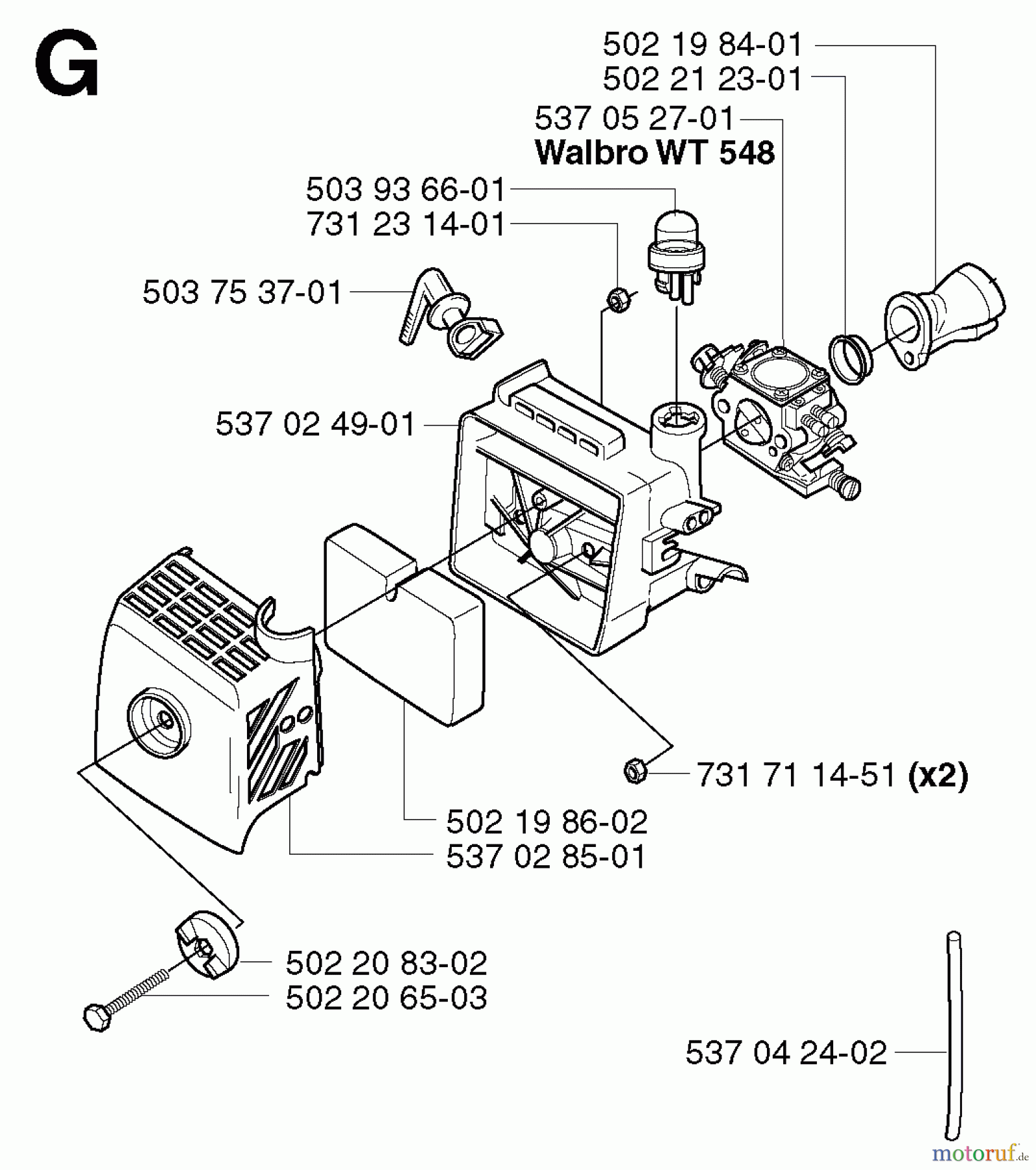
Hier finden Sie die Ersatzteilzeichnung für Jonsered Motorsensen, Trimmer GR2026 - Jonsered String/Brush Trimmer (2002-08) CARBURETOR AIR FILTER. Wählen Sie das benötigte Ersatzteil aus der Ersatzteilliste Ihres Jonsered Gerätes aus und bestellen Sie einfach online. Viele Jonsered Ersatzteile halten wir ständig in unserem Lager für Sie bereit.
| BildNr | Artikel Nummer | Bezeichnung | |
| 5021984-01 | 502 19 84-01 | VERGASERANSCHLUSS | |
| 5022123-01 | 502 21 23-01 | FUEHRUNG | |
| 5370527-01 | 522 60 74-01 | VERGASER KPL. | |
| 5039366-01 | ![]() | 503 93 66-01 | PRIMER |
| 7312314-01 | ![]() | 731 23 14-01 | MUTTER |
| 5037537-01 | 503 75 37-01 | CHOKEHEBEL | |
| 5370249-01 | 537 02 49-01 | FILTERHALTER | |
| 5021986-02 | 502 19 86-02 | LUFTFILTER | |
| 5370285-01 | 537 02 85-01 | DECKEL | |
| 5022083-02 | 502 20 83-02 | KNOPF | |
| 5022065-03 | ![]() | 502 20 65-03 | SCHRAUBE FILTERGEHAEUSE |
| 5370424-02 | 537 04 24-02 | SCHLAUCH | |
| 7317114-51 | 731 71 14-51 | MUTTER M5 ISO 4161 | |


Qualitätsmanagement
Informieren Sie uns, wenn Sie einen Fehler gefunden haben.




