Jonsered BC2145 - Brushcutter (2006-01) CRANKCASE Ersatzteile
CRANKCASE BC2145 - Jonsered Brushcutter (2006-01)

Hier finden Sie die Ersatzteilzeichnung für Jonsered Motorsensen, Trimmer BC2145 - Jonsered Brushcutter (2006-01) CRANKCASE. Wählen Sie das benötigte Ersatzteil aus der Ersatzteilliste Ihres Jonsered Gerätes aus und bestellen Sie einfach online. Viele Jonsered Ersatzteile halten wir ständig in unserem Lager für Sie bereit.
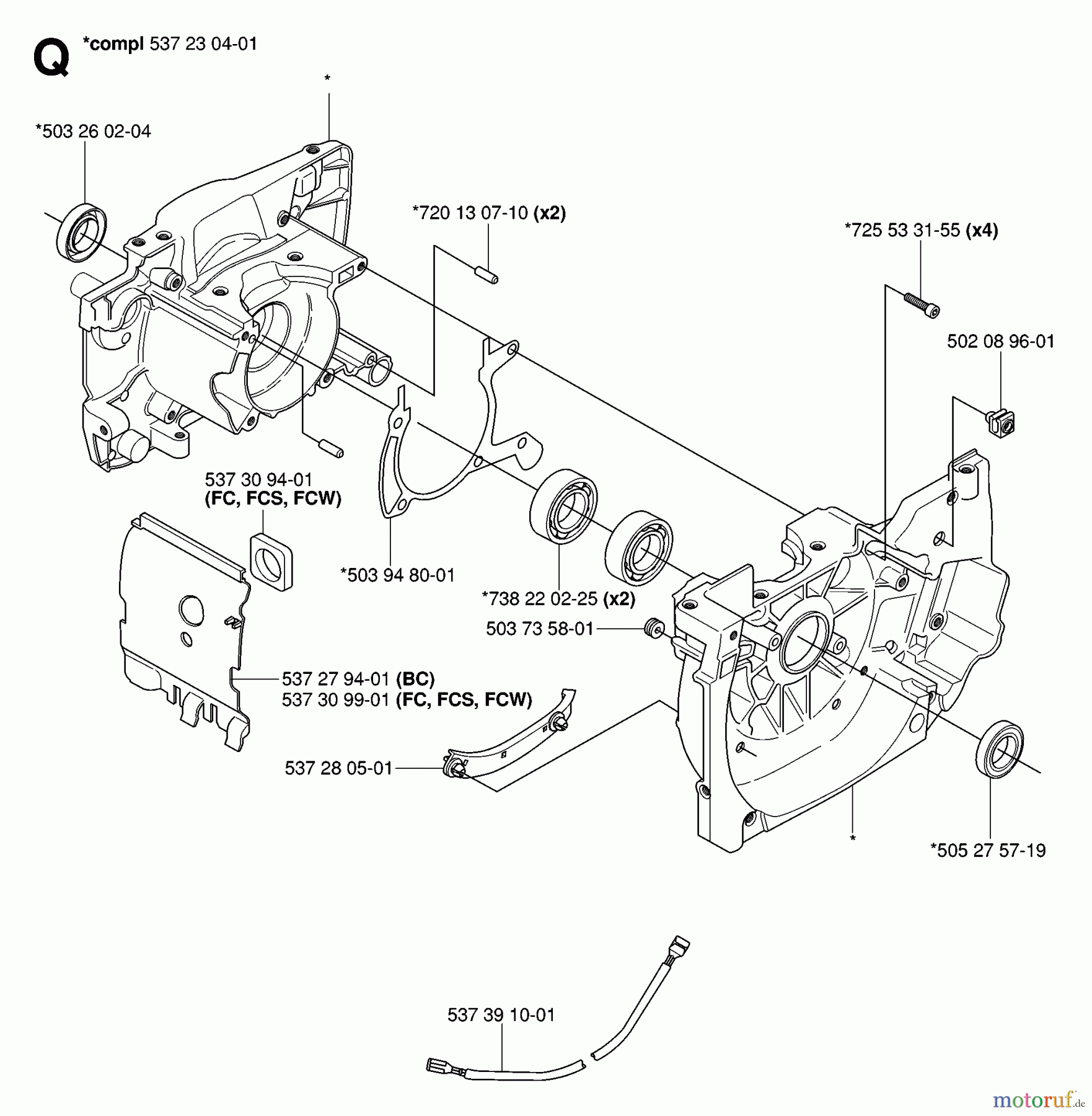
| BildNr | Artikel Nummer | Bezeichnung | |
| 5372304-01 | 537 23 04-01 | KURBELGEHAEUSE | |
| 5032602-04 | 503 26 02-04 | SIMMERRING | |
| 5373094-01 | 537 30 94-01 | DICHTUNG | |
| 5039480-01 | 503 94 80-01 | DICHTUNG | |
| 5372794-01 | 537 27 94-01 | LEITBLECH | |
| 5373099-01 | 537 30 99-01 | LEITBLECH | |
| 5372805-01 | 537 28 05-01 | HALTER | |
| 5373910-01 | 537 39 10-01 | KURZSCHLUSSKABEL | |
| 5037358-01 | ![]() | 503 73 58-01 | BUCHSE |
| 7382202-25 | 738 22 02-25 | KUGELLAGER | |
| 7201307-10 | 720 13 07-10 | STIFT | |
| 5052757-19 | 505 27 57-19 | DICHTRING | |
| 5020896-01 | 502 08 96-01 | KABELHALTER | |
| 7255331-55 | 725 53 31-55 | SCHRAUBE | |




