Jonsered ST 2111 E - Snow Thrower (2010-08) DRIVE #3 Ersatzteile
DRIVE #3 ST 2111 E - Jonsered Snow Thrower (2010-08)

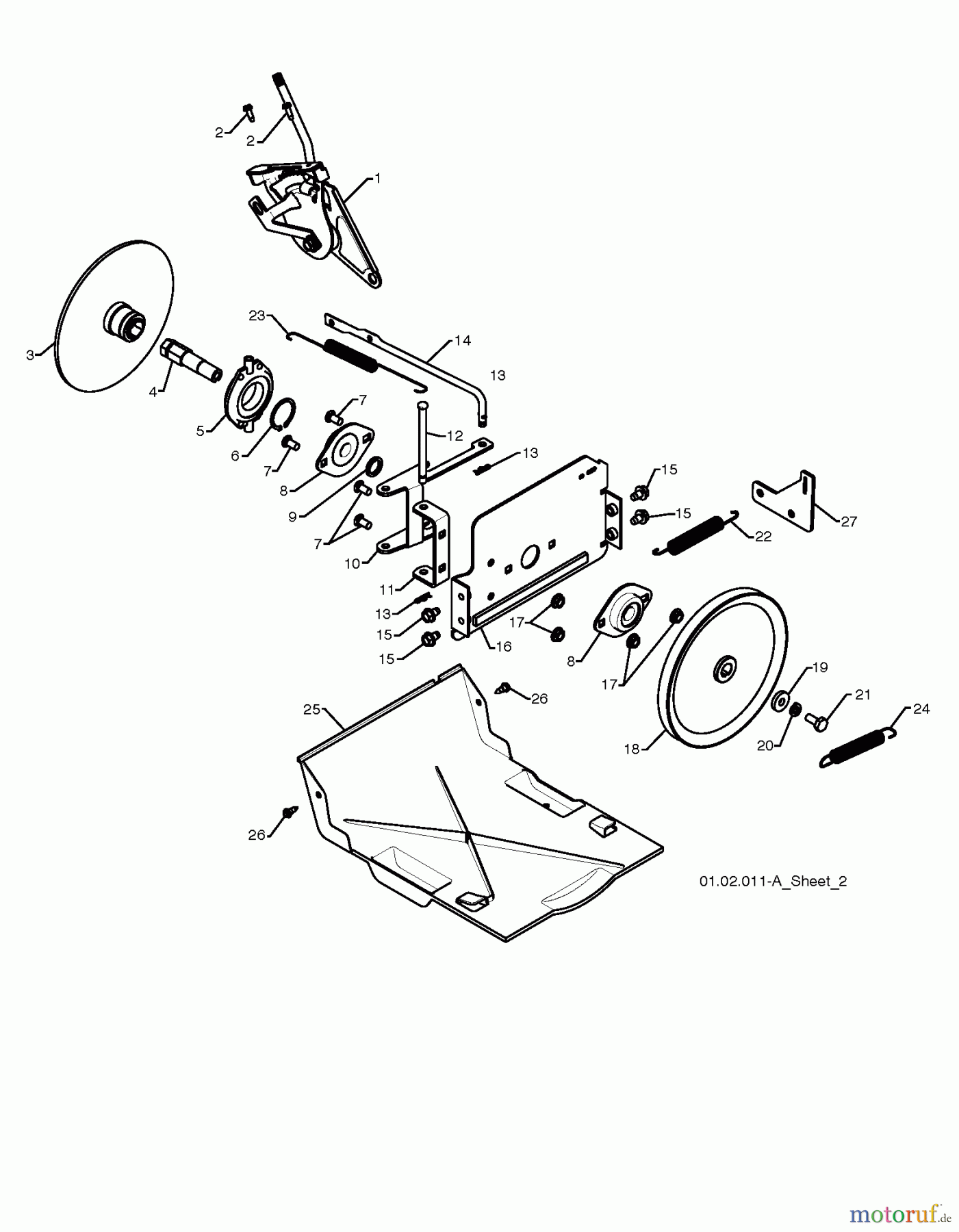
Hier finden Sie die Ersatzteilzeichnung für Jonsered Schneefräsen ST 2111 E - Jonsered Snow Thrower (2010-08) DRIVE #3. Wählen Sie das benötigte Ersatzteil aus der Ersatzteilliste Ihres Jonsered Gerätes aus und bestellen Sie einfach online. Viele Jonsered Ersatzteile halten wir ständig in unserem Lager für Sie bereit.


Qualitätsmanagement
Informieren Sie uns, wenn Sie einen Fehler gefunden haben.

