Jonsered ST 2109 E (96191002102) - Snow Thrower (2007-10) CONTROL PANEL DISCHARGE CHUTE Ersatzteile
CONTROL PANEL DISCHARGE CHUTE ST 2109 E (96191002102) - Jonsered Snow Thrower (2007-10)

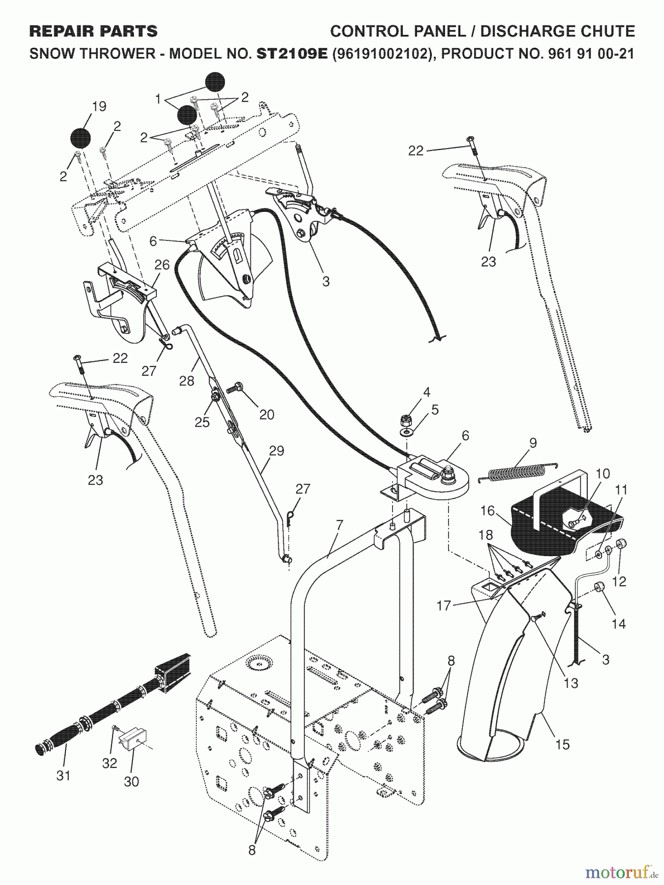
Hier finden Sie die Ersatzteilzeichnung für Jonsered Schneefräsen ST 2109 E (96191002102) - Jonsered Snow Thrower (2007-10) CONTROL PANEL DISCHARGE CHUTE. Wählen Sie das benötigte Ersatzteil aus der Ersatzteilliste Ihres Jonsered Gerätes aus und bestellen Sie einfach online. Viele Jonsered Ersatzteile halten wir ständig in unserem Lager für Sie bereit.





