Jonsered ST 2106 (96191002006) - Snow Thrower (2009-09) DRIVE #1 Ersatzteile
DRIVE #1 ST 2106 (96191002006) - Jonsered Snow Thrower (2009-09)

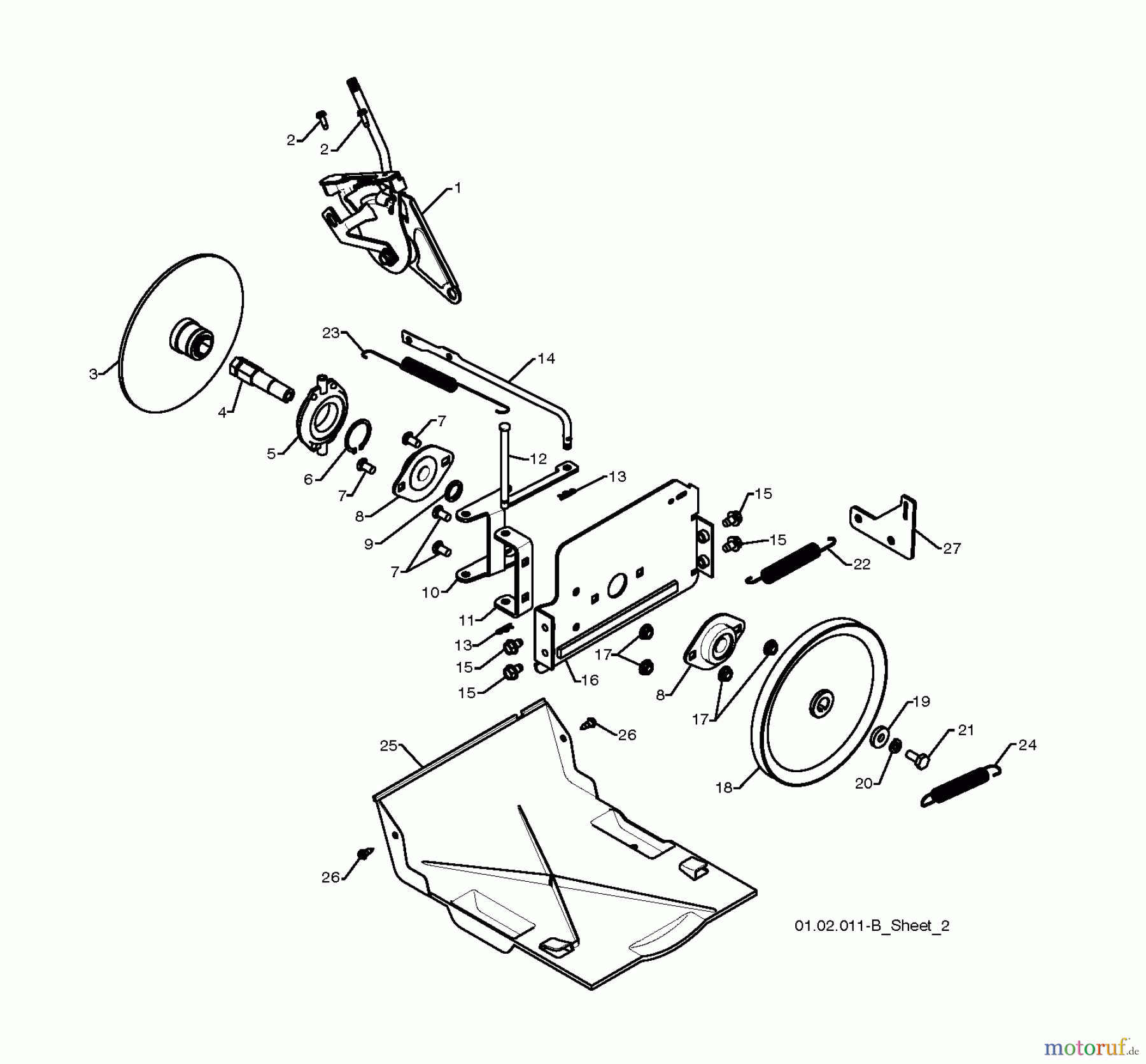
Hier finden Sie die Ersatzteilzeichnung für Jonsered Schneefräsen ST 2106 (96191002006) - Jonsered Snow Thrower (2009-09) DRIVE #1. Wählen Sie das benötigte Ersatzteil aus der Ersatzteilliste Ihres Jonsered Gerätes aus und bestellen Sie einfach online. Viele Jonsered Ersatzteile halten wir ständig in unserem Lager für Sie bereit.



