Jonsered ST 2106 (96191002001) - Snow Thrower (2007-10) CHASSIS ENCLOSURES Ersatzteile
CHASSIS ENCLOSURES ST 2106 (96191002001) - Jonsered Snow Thrower (2007-10)

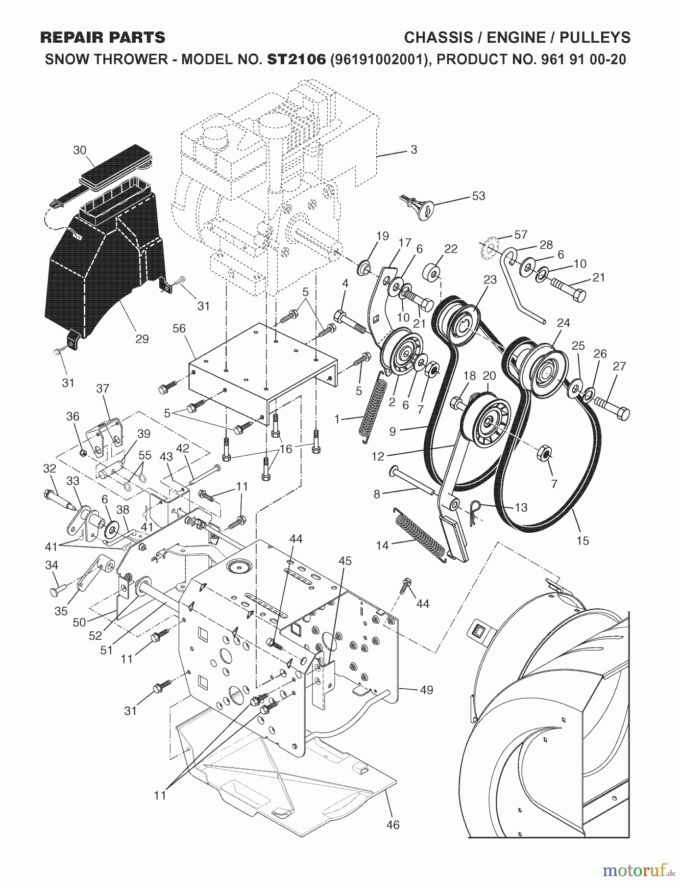
Hier finden Sie die Ersatzteilzeichnung für Jonsered Schneefräsen ST 2106 (96191002001) - Jonsered Snow Thrower (2007-10) CHASSIS ENCLOSURES. Wählen Sie das benötigte Ersatzteil aus der Ersatzteilliste Ihres Jonsered Gerätes aus und bestellen Sie einfach online. Viele Jonsered Ersatzteile halten wir ständig in unserem Lager für Sie bereit.


Qualitätsmanagement
Informieren Sie uns, wenn Sie einen Fehler gefunden haben.





