Jonsered CS2245 - Chainsaw (2011-07) CHAIN BRAKE CLUTCH COVER Ersatzteile
CHAIN BRAKE CLUTCH COVER CS2245 - Jonsered Chainsaw (2011-07)

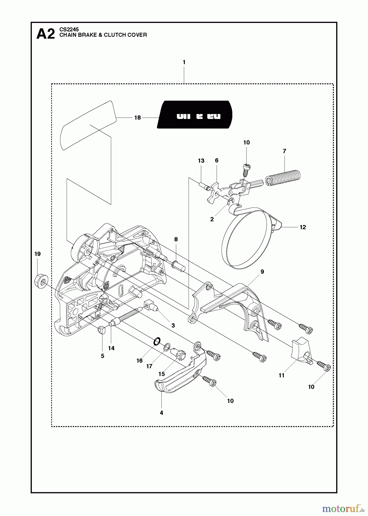
Hier finden Sie die Ersatzteilzeichnung für Jonsered Motorsägen CS2245 - Jonsered Chainsaw (2011-07) CHAIN BRAKE CLUTCH COVER. Wählen Sie das benötigte Ersatzteil aus der Ersatzteilliste Ihres Jonsered Gerätes aus und bestellen Sie einfach online. Viele Jonsered Ersatzteile halten wir ständig in unserem Lager für Sie bereit.


Qualitätsmanagement
Informieren Sie uns, wenn Sie einen Fehler gefunden haben.



