Jonsered CS2240 - Chainsaw (2010-06) IGNITION SYSTEM Ersatzteile
IGNITION SYSTEM CS2240 - Jonsered Chainsaw (2010-06)

Hier finden Sie die Ersatzteilzeichnung für Jonsered Motorsägen CS2240 - Jonsered Chainsaw (2010-06) IGNITION SYSTEM. Wählen Sie das benötigte Ersatzteil aus der Ersatzteilliste Ihres Jonsered Gerätes aus und bestellen Sie einfach online. Viele Jonsered Ersatzteile halten wir ständig in unserem Lager für Sie bereit.
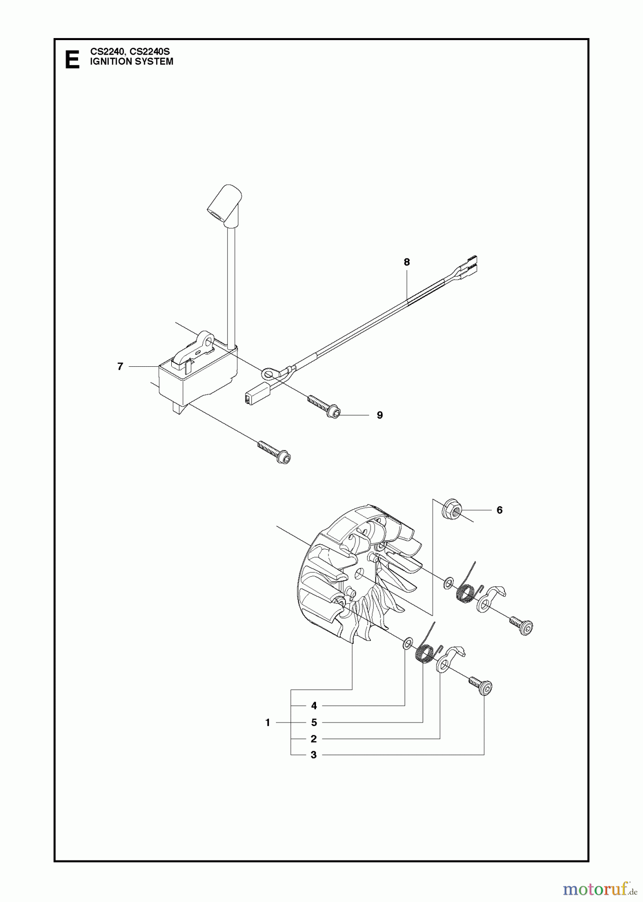
| BildNr | Artikel Nummer | Bezeichnung | |
| 1 | 544 87 42-02 | SCHWUNGRAD KPL. | |
| 2 | 537 24 56-01 | HAKEN | |
| 3 | 501 81 99-03 | SCHRAUBE | |
| 4 | 503 23 00-42 | SCHEIBE | |
| 5 | 529 27 11-01 | FEDER | |
| 6 | 503 22 04-01 | MUTTER | |
| 7 | 573 93 57-01 | ZÜNDSPULE | |
| 8 | 510 10 14-01 | KABEL KPL. | |
| 9 | ![]() | 503 20 02-20 | SCHRAUBE |




