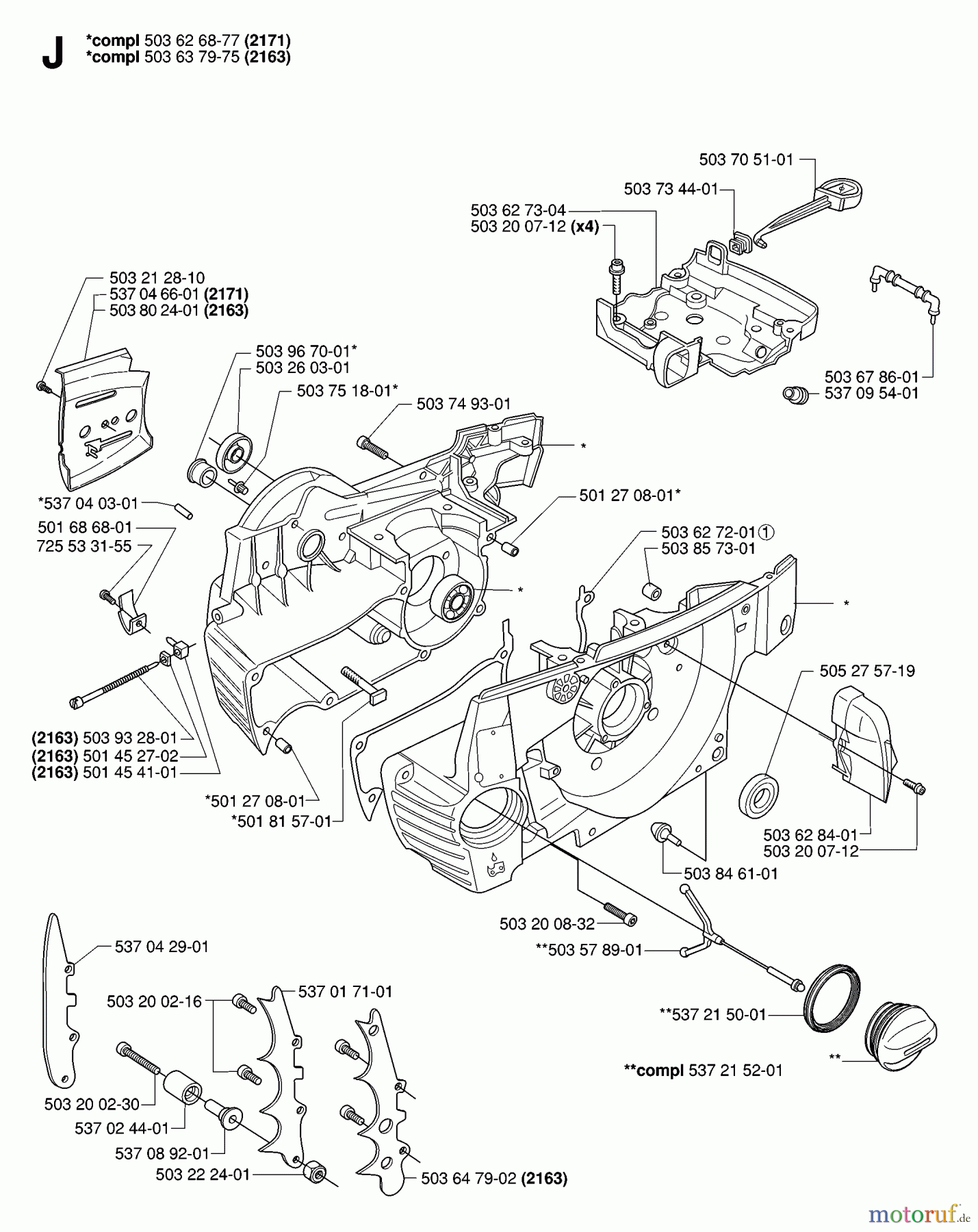
Jonsered CS2171 EPA - Chainsaw (2007-01) CRANKCASE Ersatzteile
CRANKCASE CS2171 EPA - Jonsered Chainsaw (2007-01)

Hier finden Sie die Ersatzteilzeichnung für Jonsered Motorsägen CS2171 EPA - Jonsered Chainsaw (2007-01) CRANKCASE. Wählen Sie das benötigte Ersatzteil aus der Ersatzteilliste Ihres Jonsered Gerätes aus und bestellen Sie einfach online. Viele Jonsered Ersatzteile halten wir ständig in unserem Lager für Sie bereit.







