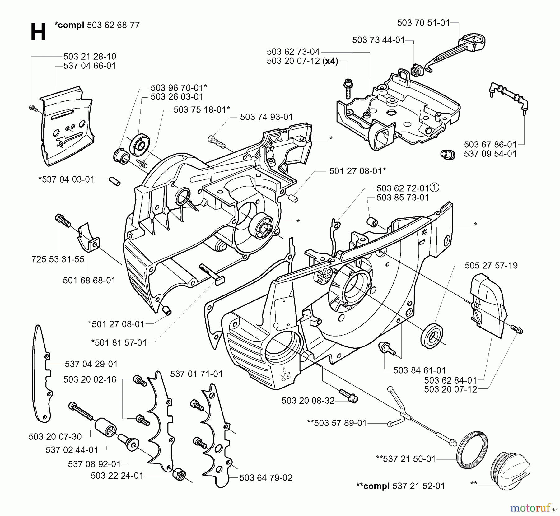
Jonsered CS2165 EPA - Chainsaw (2005-05) CRANKCASE Ersatzteile
CRANKCASE CS2165 EPA - Jonsered Chainsaw (2005-05)

Hier finden Sie die Ersatzteilzeichnung für Jonsered Motorsägen CS2165 EPA - Jonsered Chainsaw (2005-05) CRANKCASE. Wählen Sie das benötigte Ersatzteil aus der Ersatzteilliste Ihres Jonsered Gerätes aus und bestellen Sie einfach online. Viele Jonsered Ersatzteile halten wir ständig in unserem Lager für Sie bereit.






