Jonsered CS2156 EPA I - Chainsaw (2003-11) CRANKCASE #2 Ersatzteile
CRANKCASE #2 CS2156 EPA I - Jonsered Chainsaw (2003-11)

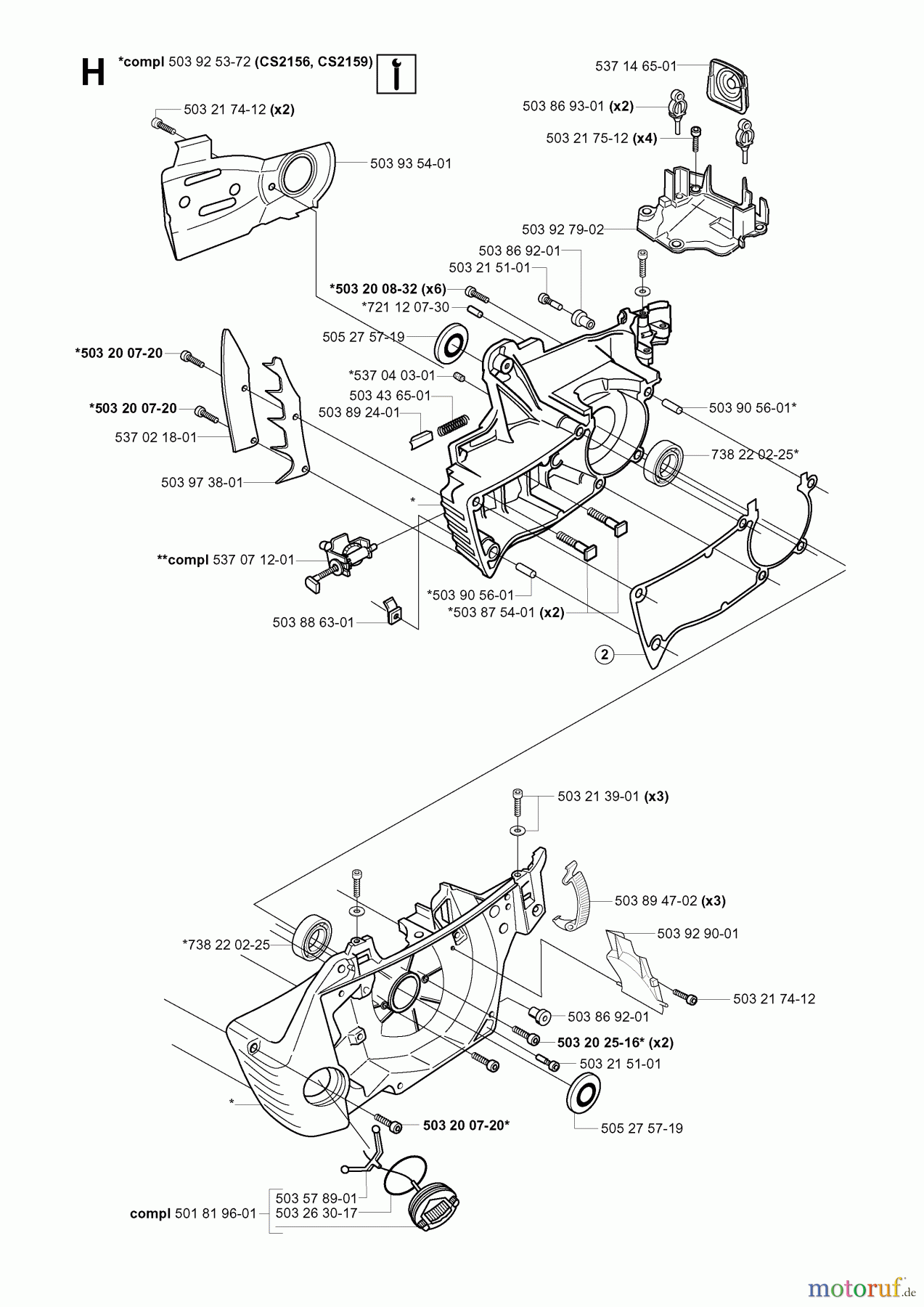
Hier finden Sie die Ersatzteilzeichnung für Jonsered Motorsägen CS2156 EPA I - Jonsered Chainsaw (2003-11) CRANKCASE #2. Wählen Sie das benötigte Ersatzteil aus der Ersatzteilliste Ihres Jonsered Gerätes aus und bestellen Sie einfach online. Viele Jonsered Ersatzteile halten wir ständig in unserem Lager für Sie bereit.
| BildNr | Artikel Nummer | Bezeichnung | |
| 5039253-72 | 503 92 53-06 | KURBELGEHAEUSE KPL. | |
| 5032174-12 | 503 21 74-12 | SCHRAUBE | |
| 5032007-20 | ![]() | 503 20 02-20 | SCHRAUBE |
| 5370218-01 | 537 02 18-01 | KRALLE ZAHNLOS | |
| 5039738-01 | 503 97 38-01 | KRALLE | |
| 5370712-01 | 537 07 12-01 | Kettenspanner | |
| 5038863-01 | 503 88 63-01 | Kettenfänger | |
| 7382202-25 | 738 22 02-25 | KUGELLAGER | |
| 5018196-01 | 501 81 96-02 | TANKDECKEL | |
| 5035789-01 | 503 57 89-01 | HALTER | |
| 5032630-17 | ![]() | 503 26 30-17 | O-RING |
| 5038692-01 | 503 86 92-01 | BEWEGUNGSBEGRENZER | |
| 5032025-16 | 503 20 25-16 | SCHRAUBE | |
| 5032151-01 | ![]() | 503 21 51-01 | SCHRAUBE |
| 5052757-19 | 505 27 57-19 | DICHTRING | |
| 5039290-01 | 503 92 90-01 | MUNDSTUECK | |
| 5038947-02 | ![]() | 503 89 47-02 | KLAMMER |
| 5032139-01 | 503 21 39-01 | SCHRAUBE | |
| 5038754-01 | 503 87 54-01 | BOLZEN | |
| 5039056-01 | 503 90 56-01 | HÜLSE | |
| 5038924-01 | 503 89 24-01 | SPERRE | |
| 5034365-01 | 503 43 65-01 | FEDER | |
| 5370403-01 | 537 04 03-01 | VENTIL | |
| 7211207-30 | 721 12 07-30 | STIFT | |
| 5032008-32 | 503 20 08-32 | SCHRAUBE | |
| 5039354-01 | 503 93 54-01 | PLATTE | |
| 5371465-01 | 537 14 65-01 | ABDICHTUNG H 352 | |
| 5038693-01 | 503 86 93-01 | AUFHÄNGUNG | |
| 5032175-12 | 503 21 75-12 | SCHRAUBE | |
| 5039279-02 | 503 92 79-02 | SOHLE | |


Qualitätsmanagement
Informieren Sie uns, wenn Sie einen Fehler gefunden haben.





