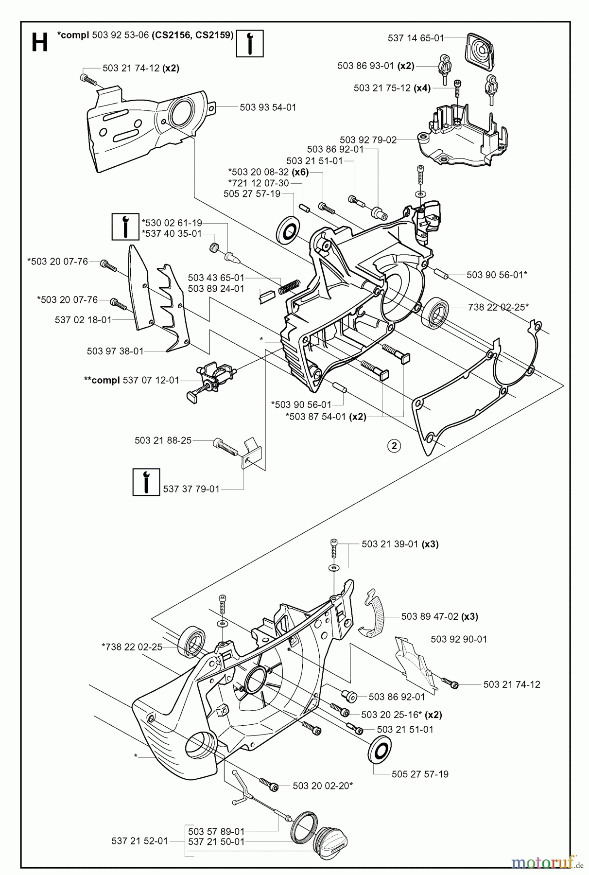
Jonsered CS2156 - Chainsaw (2006-02) CRANKCASE #3 Ersatzteile
CRANKCASE #3 CS2156 - Jonsered Chainsaw (2006-02)

Hier finden Sie die Ersatzteilzeichnung für Jonsered Motorsägen CS2156 - Jonsered Chainsaw (2006-02) CRANKCASE #3. Wählen Sie das benötigte Ersatzteil aus der Ersatzteilliste Ihres Jonsered Gerätes aus und bestellen Sie einfach online. Viele Jonsered Ersatzteile halten wir ständig in unserem Lager für Sie bereit.


Qualitätsmanagement
Informieren Sie uns, wenn Sie einen Fehler gefunden haben.





