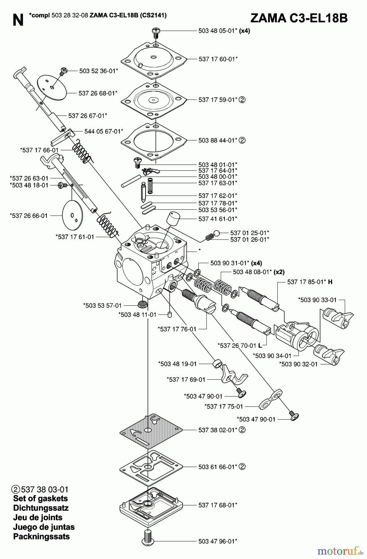
Jonsered CS2150 - Chainsaw (2007-01) CARBURETOR #1 Ersatzteile
CARBURETOR #1 CS2150 - Jonsered Chainsaw (2007-01)

Hier finden Sie die Ersatzteilzeichnung für Jonsered Motorsägen CS2150 - Jonsered Chainsaw (2007-01) CARBURETOR #1. Wählen Sie das benötigte Ersatzteil aus der Ersatzteilliste Ihres Jonsered Gerätes aus und bestellen Sie einfach online. Viele Jonsered Ersatzteile halten wir ständig in unserem Lager für Sie bereit.




