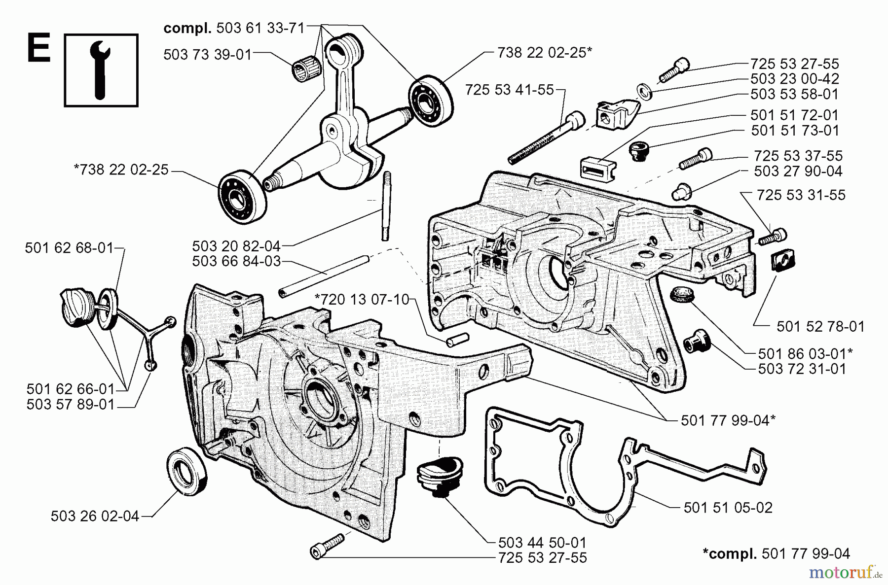
Jonsered 670 CHAMP - Chainsaw (1999-02) CRANKCASE Ersatzteile
CRANKCASE 670 CHAMP - Jonsered Chainsaw (1999-02)

Hier finden Sie die Ersatzteilzeichnung für Jonsered Motorsägen 670 CHAMP - Jonsered Chainsaw (1999-02) CRANKCASE. Wählen Sie das benötigte Ersatzteil aus der Ersatzteilliste Ihres Jonsered Gerätes aus und bestellen Sie einfach online. Viele Jonsered Ersatzteile halten wir ständig in unserem Lager für Sie bereit.
| BildNr | Artikel Nummer | Bezeichnung | |
| 5036133-71 | 503 61 33-71 | KURBELWELLE KPL. | |
| 5037339-01 | 503 25 56-01 | NADELLAGER | |
| 7382202-25 | 738 22 02-25 | KUGELLAGER | |
| 5016268-01 | 501 62 68-01 | DICHTUNG | |
| 5032082-04 | 503 20 82-04 | SCHRAUBE | |
| 5036684-03 | 503 66 84-03 | TANKENTLUEFTUNG | |
| 5016266-01 | ![]() | 501 62 66-02 | TANKDECKEL |
| 5035789-01 | 503 57 89-01 | HALTER | |
| 5032602-04 | 503 26 02-04 | SIMMERRING | |
| 7255327-55 | 725 53 27-55 | SCHRAUBE | |
| 5034450-01 | 503 44 50-01 | GUMMITUELLE | |
| 7201307-10 | 720 13 07-10 | STIFT | |
| 7255341-55 | 725 53 41-55 | SCHRAUBE | |
| 5017799-04 | 501 77 99-04 | KURBELGEHAEUSE KPL. | |
| 5015105-02 | 501 51 05-02 | DICHTUNG | |
| 5037231-01 | 503 72 31-01 | BUCHSE | |
| 5018603-01 | 501 86 03-01 | PUFFER | |
| 5015278-01 | 501 52 78-01 | DURCHFÜHRUNG | |
| 7255331-55 | 725 53 31-55 | SCHRAUBE | |
| 5032790-04 | 503 27 90-04 | PFROPFEN | |
| 7255337-55 | 725 53 37-55 | SCHRAUBE | |
| 5015173-01 | 501 51 73-01 | ENTLUEFTUNGSKAPPE | |
| 5015172-01 | 501 51 72-01 | KETTENSTEüRUNG | |
| 5035358-01 | 503 53 58-01 | KETTENFÄNGER | |
| 5032300-42 | 503 23 00-42 | SCHEIBE | |




