Jonsered 630 SUPER II - Chainsaw (1999-02) CYLINDER PISTON MUFFLER Ersatzteile
CYLINDER PISTON MUFFLER 630 SUPER II - Jonsered Chainsaw (1999-02)

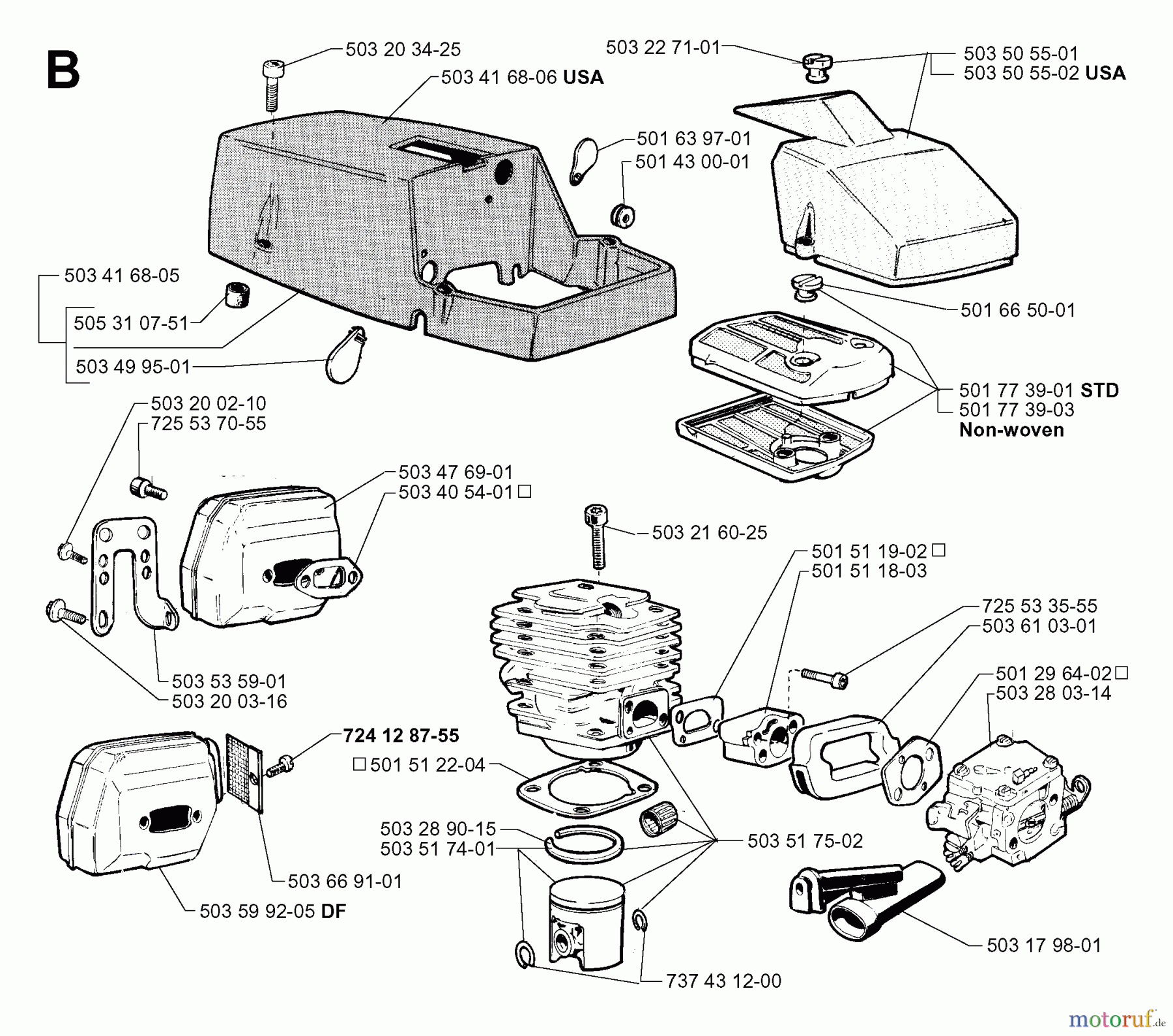
Hier finden Sie die Ersatzteilzeichnung für Jonsered Motorsägen 630 SUPER II - Jonsered Chainsaw (1999-02) CYLINDER PISTON MUFFLER. Wählen Sie das benötigte Ersatzteil aus der Ersatzteilliste Ihres Jonsered Gerätes aus und bestellen Sie einfach online. Viele Jonsered Ersatzteile halten wir ständig in unserem Lager für Sie bereit.


Qualitätsmanagement
Informieren Sie uns, wenn Sie einen Fehler gefunden haben.







