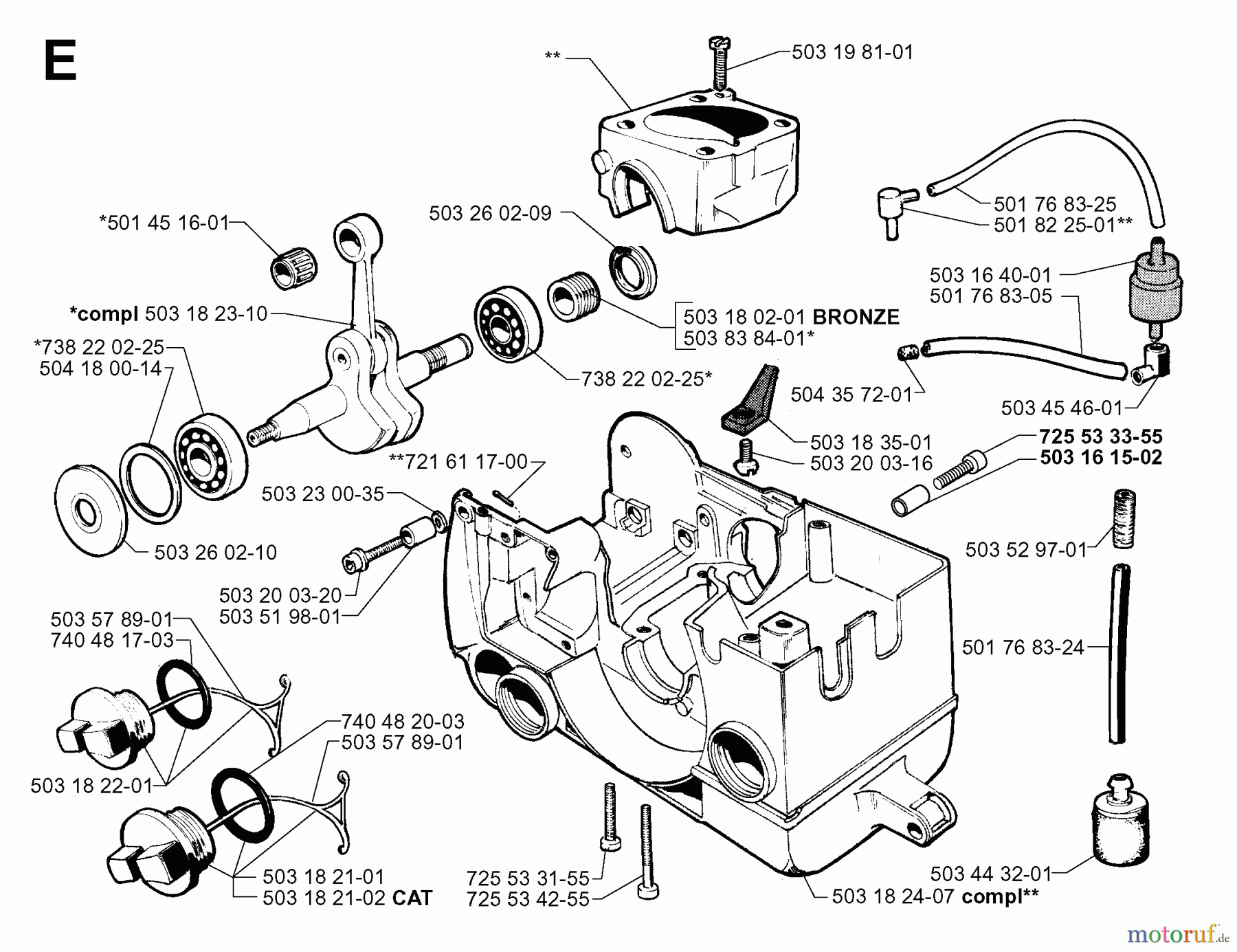
Jonsered 2055 - Chainsaw (1998-10) CRANKCASE Ersatzteile
CRANKCASE 2055 - Jonsered Chainsaw (1998-10)

Hier finden Sie die Ersatzteilzeichnung für Jonsered Motorsägen 2055 - Jonsered Chainsaw (1998-10) CRANKCASE. Wählen Sie das benötigte Ersatzteil aus der Ersatzteilliste Ihres Jonsered Gerätes aus und bestellen Sie einfach online. Viele Jonsered Ersatzteile halten wir ständig in unserem Lager für Sie bereit.


Qualitätsmanagement
Informieren Sie uns, wenn Sie einen Fehler gefunden haben.






