Jonsered 2054 - Chainsaw (1996-09) CRANKCASE Ersatzteile
CRANKCASE 2054 - Jonsered Chainsaw (1996-09)

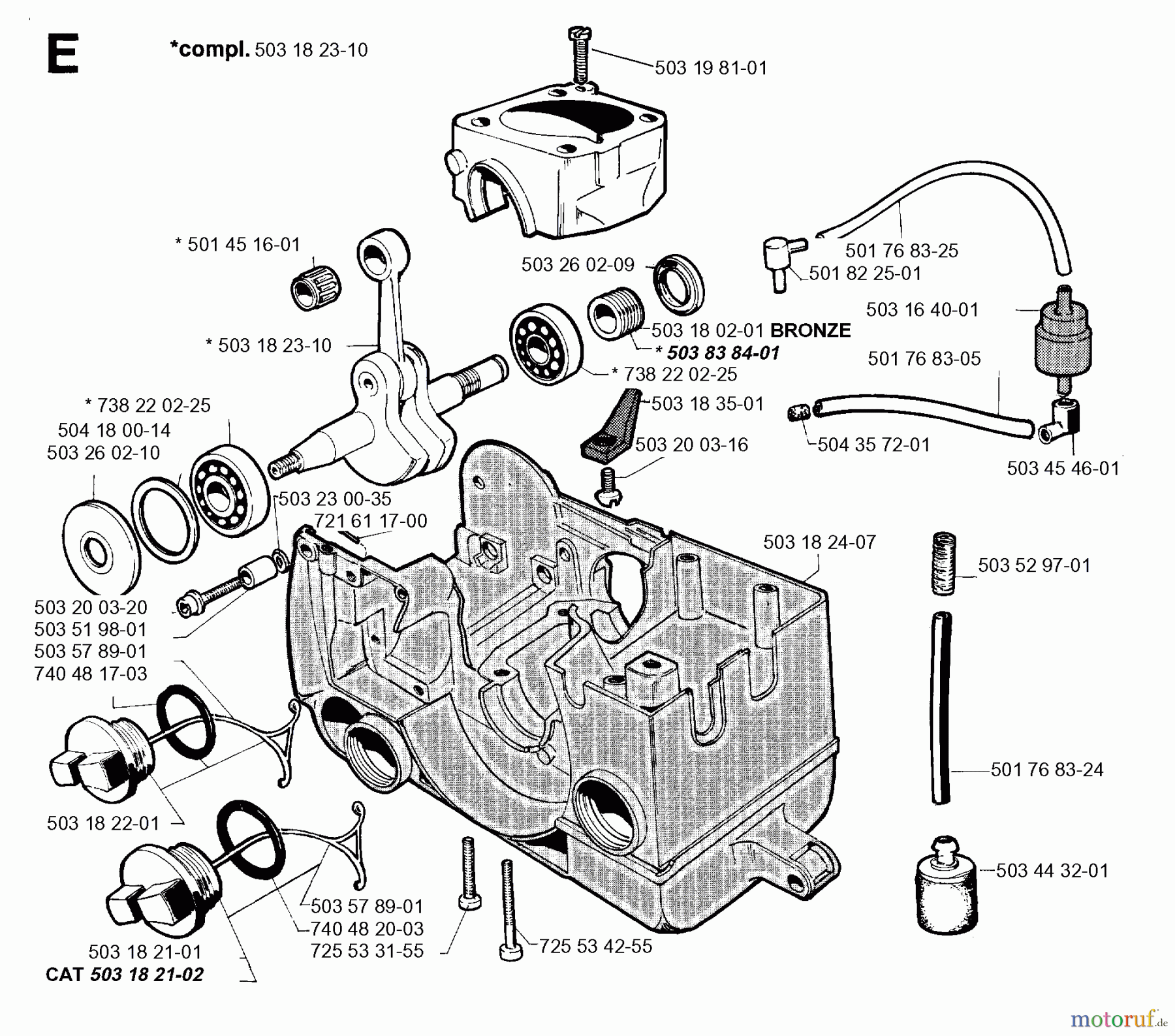
Hier finden Sie die Ersatzteilzeichnung für Jonsered Motorsägen 2054 - Jonsered Chainsaw (1996-09) CRANKCASE. Wählen Sie das benötigte Ersatzteil aus der Ersatzteilliste Ihres Jonsered Gerätes aus und bestellen Sie einfach online. Viele Jonsered Ersatzteile halten wir ständig in unserem Lager für Sie bereit.


Qualitätsmanagement
Informieren Sie uns, wenn Sie einen Fehler gefunden haben.





