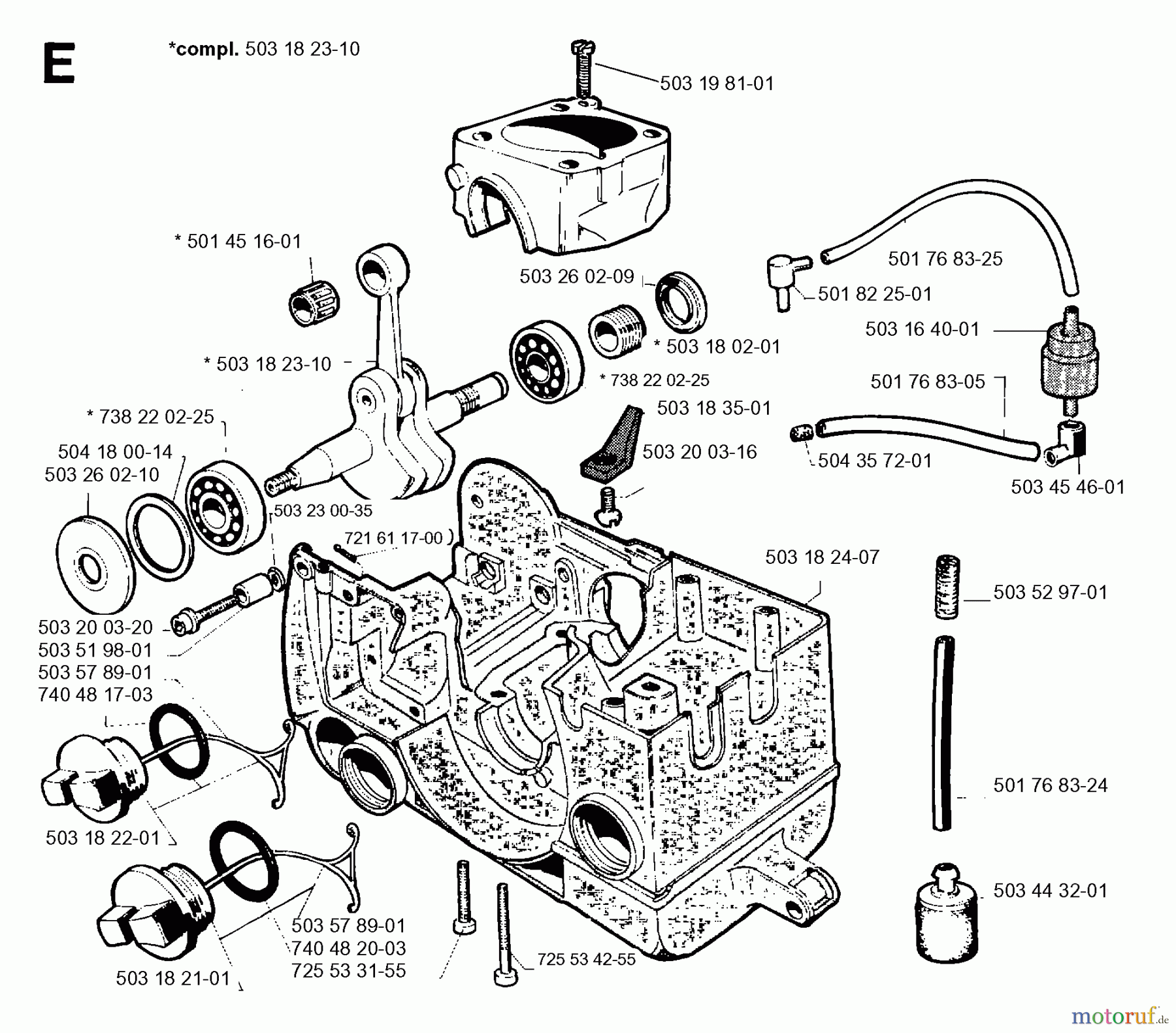
Jonsered 2054 - Chainsaw (1996-02) CRANKCASE Ersatzteile
CRANKCASE 2054 - Jonsered Chainsaw (1996-02)

Hier finden Sie die Ersatzteilzeichnung für Jonsered Motorsägen 2054 - Jonsered Chainsaw (1996-02) CRANKCASE. Wählen Sie das benötigte Ersatzteil aus der Ersatzteilliste Ihres Jonsered Gerätes aus und bestellen Sie einfach online. Viele Jonsered Ersatzteile halten wir ständig in unserem Lager für Sie bereit.







