Jonsered 2045 - Chainsaw (1994-12) CRANKCASE Ersatzteile
CRANKCASE 2045 - Jonsered Chainsaw (1994-12)

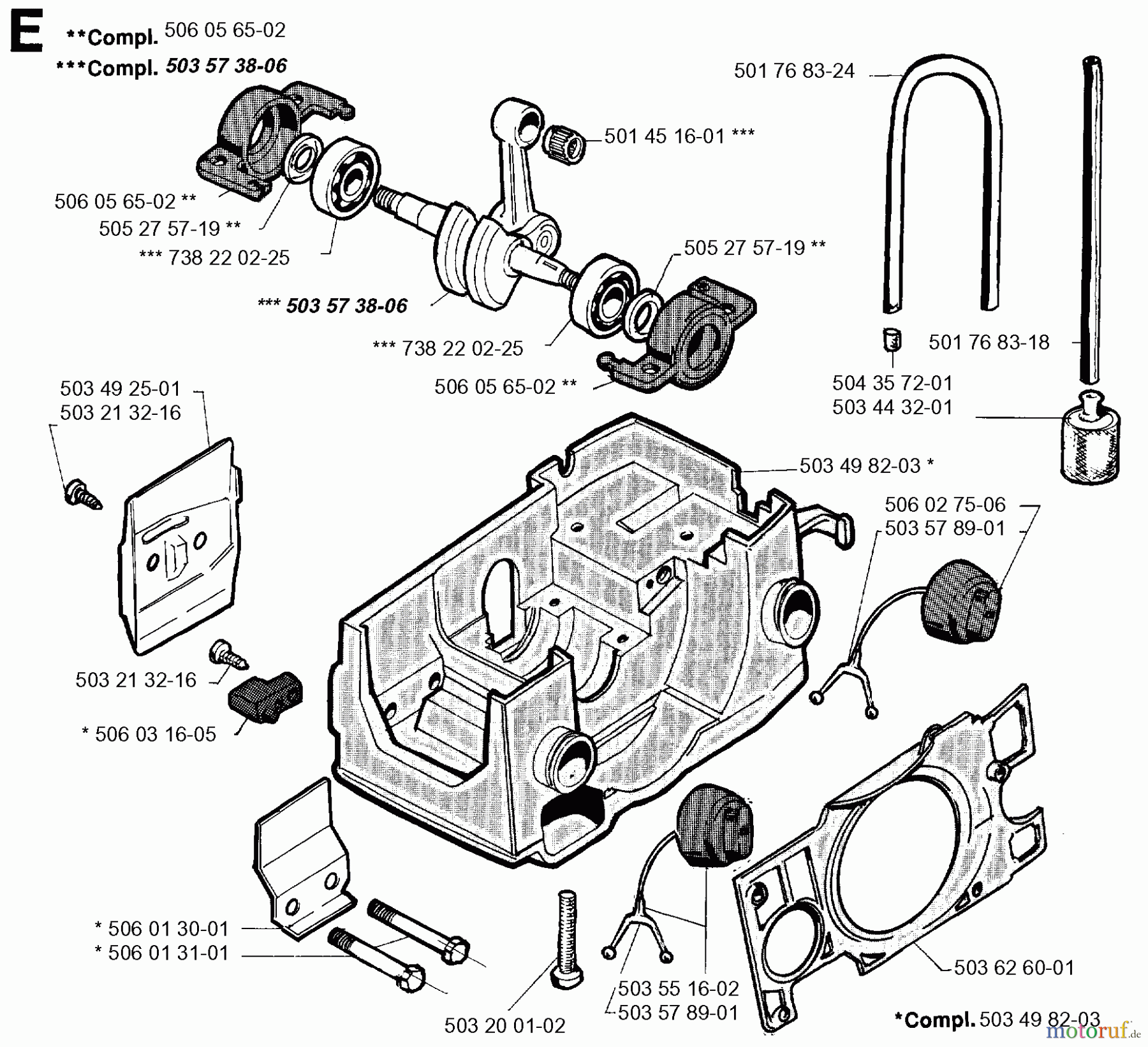
Hier finden Sie die Ersatzteilzeichnung für Jonsered Motorsägen 2045 - Jonsered Chainsaw (1994-12) CRANKCASE. Wählen Sie das benötigte Ersatzteil aus der Ersatzteilliste Ihres Jonsered Gerätes aus und bestellen Sie einfach online. Viele Jonsered Ersatzteile halten wir ständig in unserem Lager für Sie bereit.
| BildNr | Artikel Nummer | Bezeichnung | |
| 5060565-02 | ![]() | 506 05 65-02 | KURBELWELLENSITZKPL. |
| 5035738-06 | 503 57 38-06 | KURBELWELLE | |
| 5052757-19 | 505 27 57-19 | DICHTRING | |
| 7382202-25 | 738 22 02-25 | KUGELLAGER | |
| 5034925-01 | ![]() | 503 49 25-01 | KETTEN STüRUNG |
| 5032132-16 | 503 21 32-16 | SCHRAUBE | |
| 5060316-05 | 506 03 16-05 | KETTENFANGER | |
| 5060130-01 | 538 24 24-99 | STÜTZE | |
| 5060131-01 | ![]() | 506 01 31-01 | SCHWERTBOLZEN |
| 5032001-02 | 503 20 01-02 | SCHRAUBE | |
| 5035789-01 | 503 57 89-01 | HALTER | |
| 5035516-02 | 503 55 16-02 | TANKDECKEL | |
| 5014516-01 | 503 25 63-01 | NADELLAGER | |
| 5017683-24 | 544 32 49-25 | KRAFTSTOFFSCHLAUCH | |
| 5043572-01 | ![]() | 504 35 72-01 | BENZINFILTER F.M-510 |
| 5034432-01 | ![]() | 503 44 32-01 | FILTER |
| 5034982-03 | 503 49 82-03 | TANK | |
| 5060275-06 | 506 02 75-06 | TANKDECKEL | |
| 5036260-01 | 503 62 60-01 | LEITBLECH | |
| 5017683-18 | 544 32 49-20 | SCHLAUCH | |


Qualitätsmanagement
Informieren Sie uns, wenn Sie einen Fehler gefunden haben.






