Jonsered 2036 - Chainsaw (2002-01) CHAIN BRAKE CLUTCH COVER Ersatzteile
CHAIN BRAKE CLUTCH COVER 2036 - Jonsered Chainsaw (2002-01)

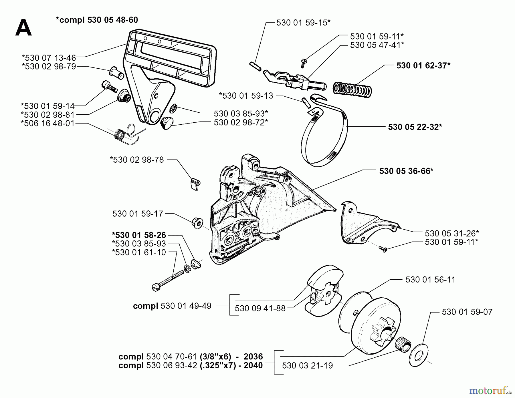
Hier finden Sie die Ersatzteilzeichnung für Jonsered Motorsägen 2036 - Jonsered Chainsaw (2002-01) CHAIN BRAKE CLUTCH COVER. Wählen Sie das benötigte Ersatzteil aus der Ersatzteilliste Ihres Jonsered Gerätes aus und bestellen Sie einfach online. Viele Jonsered Ersatzteile halten wir ständig in unserem Lager für Sie bereit.
| BildNr | Artikel Nummer | Bezeichnung | |
| 5300548-60 | 530 05 48-71 | KETTENBREMSE | |
| 5300713-46 | 530 07 13-46 | HANDSCHUTZ | |
| 5300298-79 | 530 02 98-79 | STIFT | |
| 5300159-14 | 530 01 59-14 | SCHRAUBE | |
| 5300298-81 | 530 02 98-81 | ACHSZAPFEN | |
| 5061648-01 | 506 16 48-01 | FEDER | |
| 5300298-78 | 530 02 98-78 | FEDER | |
| 5300159-17 | 530 01 59-17 | Mutter | |
| 5300158-26 | 530 01 58-26 | SPANNSTUECK | |
| 5300385-93 | 530 03 85-93 | Sternscheibe | |
| 5300161-10 | 530 01 61-10 | SCHRAUBE | |
| 5300149-49 | 530 01 49-49 | Kupplung | |
| 5300470-61 | ![]() | 530 04 70-61 | Kupplungstrommel |
| 5300693-42 | 530 06 93-42 | KUPPLUNGSTROMMEL KPL | |
| 5300321-19 | 530 03 21-19 | NADELLAGER | |
| 5300941-88 | 530 01 42-92 | CLUTCH CPL | |
| 5300298-72 | 530 02 98-72 | WELLENZAPFEN LINKS | |
| 5300159-13 | 530 01 59-13 | STIFT | |
| 5300159-07 | 530 01 59-07 | SCHEIBE | |
| 5300156-11 | 530 01 56-11 | SCHEIBE | |
| 5300159-11 | 574 78 03-01 | Schraube | |
| 5300531-26 | 530 05 31-26 | DECKEL | |
| 5300536-66 | 530 05 36-66 | KUPPLUNGSDECKEL | |
| 5300522-32 | ![]() | 545 13 74-01 | BREMSBAND |
| 5300162-37 | 545 13 73-01 | FEDER | |
| 5300547-41 | 530 05 47-41 | KNIEHEBEL | |
| 5300159-15 | 530 01 59-15 | STIFT | |





