Jonsered 2033 - Chainsaw (2000-08) CHAIN BRAKE Ersatzteile
CHAIN BRAKE 2033 - Jonsered Chainsaw (2000-08)

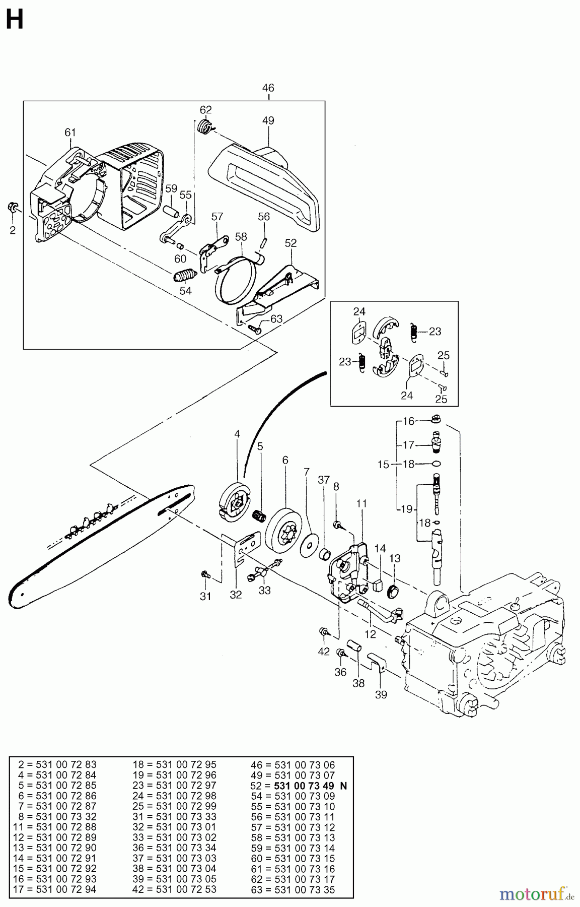
Hier finden Sie die Ersatzteilzeichnung für Jonsered Motorsägen 2033 - Jonsered Chainsaw (2000-08) CHAIN BRAKE. Wählen Sie das benötigte Ersatzteil aus der Ersatzteilliste Ihres Jonsered Gerätes aus und bestellen Sie einfach online. Viele Jonsered Ersatzteile halten wir ständig in unserem Lager für Sie bereit.



