Jonsered 600 RDII (954130006) - Walk-Behind Mower (1997-04) PRODUCT COMPLETE #3 Ersatzteile
PRODUCT COMPLETE #3 600 RDII (954130006) - Jonsered Walk-Behind Mower (1997-04)

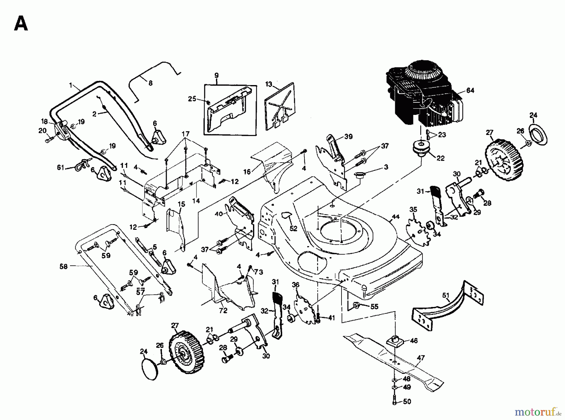
Hier finden Sie die Ersatzteilzeichnung für Jonsered Rasenmäher 600 RDII (954130006) - Jonsered Walk-Behind Mower (1997-04) PRODUCT COMPLETE #3. Wählen Sie das benötigte Ersatzteil aus der Ersatzteilliste Ihres Jonsered Gerätes aus und bestellen Sie einfach online. Viele Jonsered Ersatzteile halten wir ständig in unserem Lager für Sie bereit.


Qualitätsmanagement
Informieren Sie uns, wenn Sie einen Fehler gefunden haben.








