Jonsered FRM13 AUTOMATIC - Rear-Engine Riding Mower (2000-01) ELECTRICAL Ersatzteile
ELECTRICAL FRM13 AUTOMATIC - Jonsered Rear-Engine Riding Mower (2000-01)

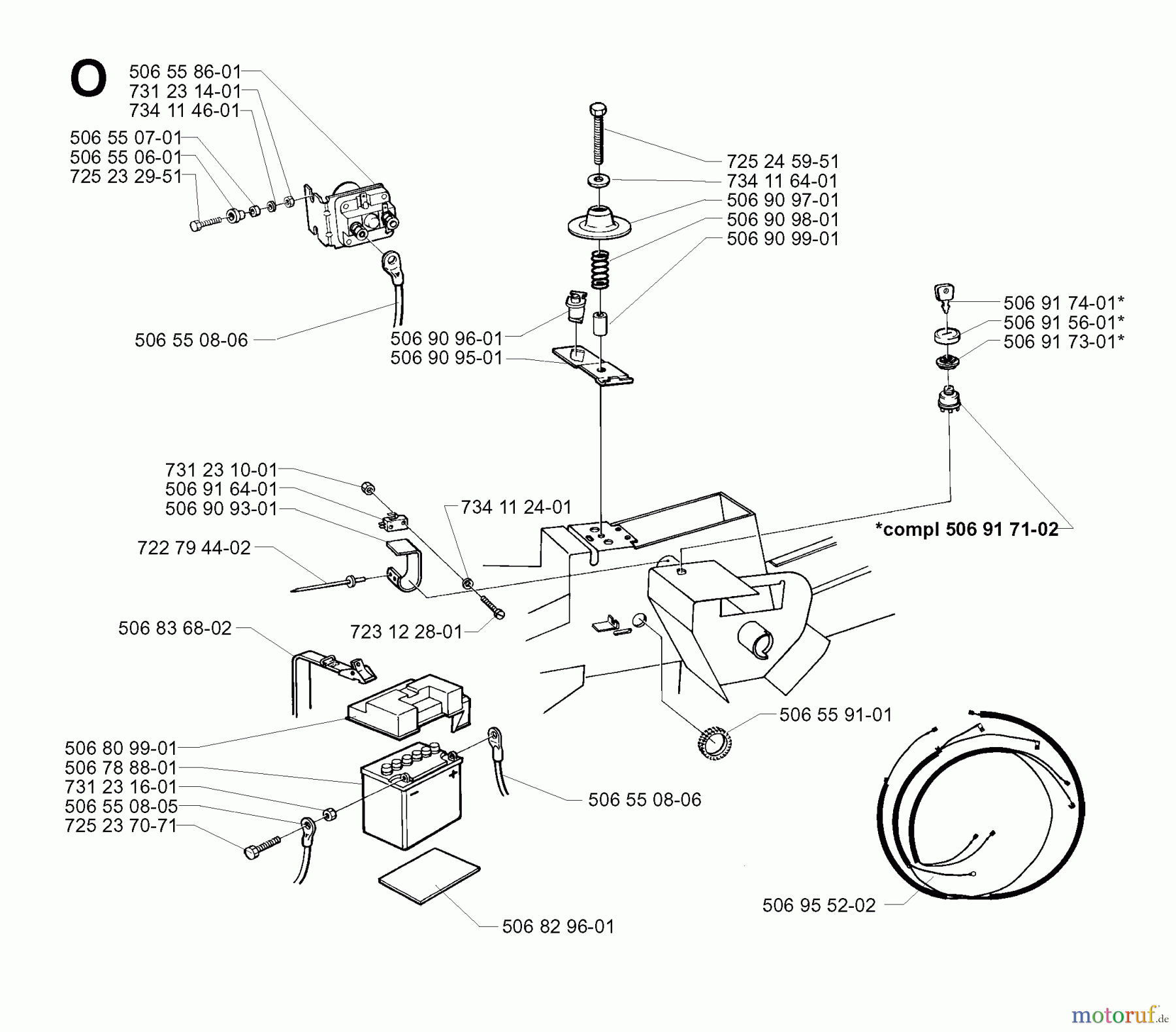
Hier finden Sie die Ersatzteilzeichnung für Jonsered Reitermäher FRM13 AUTOMATIC - Jonsered Rear-Engine Riding Mower (2000-01) ELECTRICAL. Wählen Sie das benötigte Ersatzteil aus der Ersatzteilliste Ihres Jonsered Gerätes aus und bestellen Sie einfach online. Viele Jonsered Ersatzteile halten wir ständig in unserem Lager für Sie bereit.


Qualitätsmanagement
Informieren Sie uns, wenn Sie einen Fehler gefunden haben.




