Jonsered FR2311 M (966639785, 966639701) - Rear-Engine Riding Mower (2011-02) ELECTRICAL Ersatzteile
ELECTRICAL FR2311 M (966639785, 966639701) - Jonsered Rear-Engine Riding Mower (2011-02)

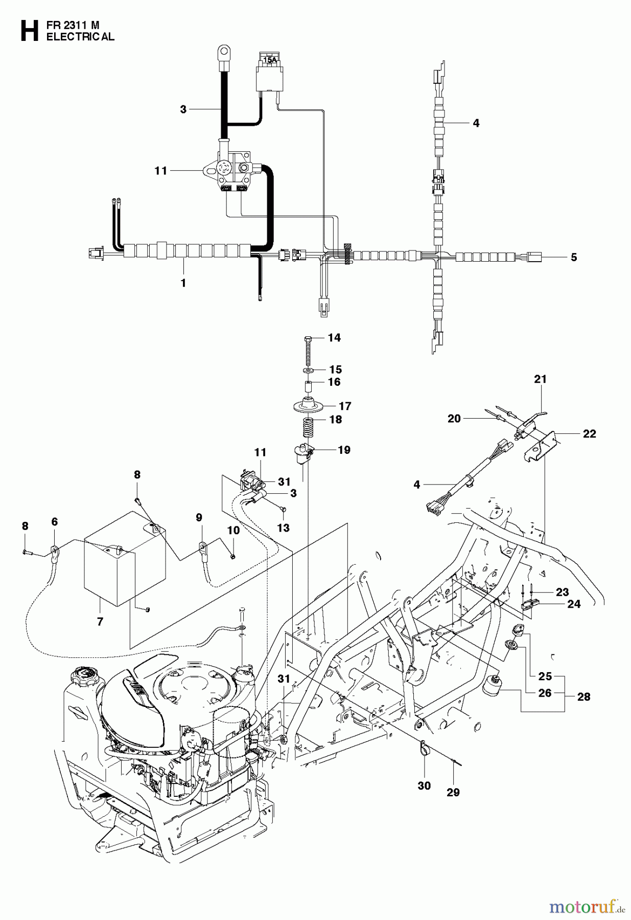
Hier finden Sie die Ersatzteilzeichnung für Jonsered Reitermäher FR2311 M (966639785, 966639701) - Jonsered Rear-Engine Riding Mower (2011-02) ELECTRICAL. Wählen Sie das benötigte Ersatzteil aus der Ersatzteilliste Ihres Jonsered Gerätes aus und bestellen Sie einfach online. Viele Jonsered Ersatzteile halten wir ständig in unserem Lager für Sie bereit.




