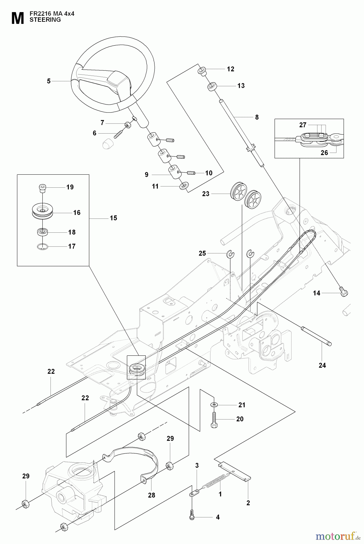
Jonsered FR2216 MA 4x4 (965190401) - Rear-Engine Riding Mower (2009-04) STEERING Ersatzteile
STEERING FR2216 MA 4x4 (965190401) - Jonsered Rear-Engine Riding Mower (2009-04)

Hier finden Sie die Ersatzteilzeichnung für Jonsered Reitermäher FR2216 MA 4x4 (965190401) - Jonsered Rear-Engine Riding Mower (2009-04) STEERING. Wählen Sie das benötigte Ersatzteil aus der Ersatzteilliste Ihres Jonsered Gerätes aus und bestellen Sie einfach online. Viele Jonsered Ersatzteile halten wir ständig in unserem Lager für Sie bereit.







