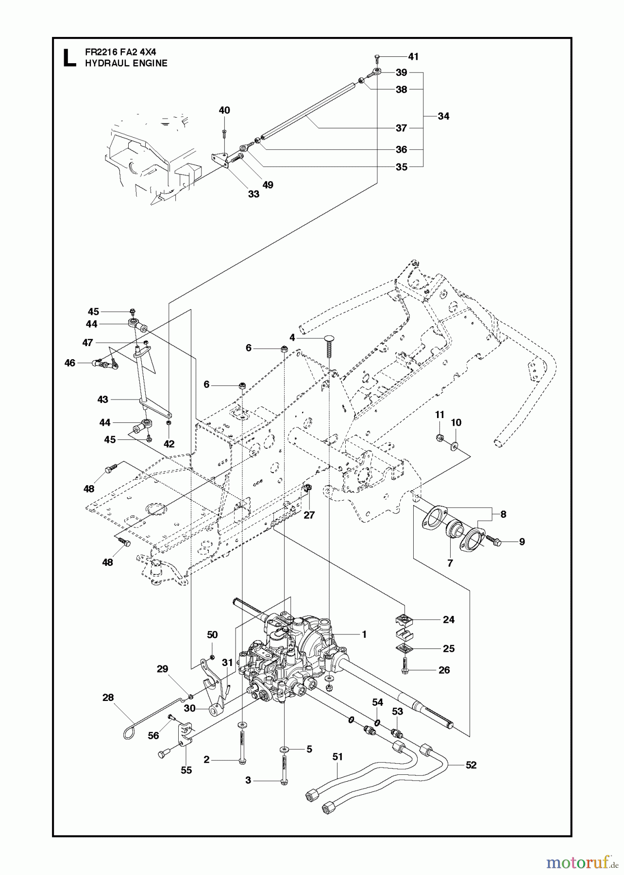
Jonsered FR2216 FA2 4x4 (966773901) - Rear-Engine Riding Mower (2012) HYDRAULIC PUMP- MOTOR Ersatzteile
HYDRAULIC PUMP- MOTOR FR2216 FA2 4x4 (966773901) - Jonsered Rear-Engine Riding Mower (2012)

Hier finden Sie die Ersatzteilzeichnung für Jonsered Reitermäher FR2216 FA2 4x4 (966773901) - Jonsered Rear-Engine Riding Mower (2012) HYDRAULIC PUMP- MOTOR. Wählen Sie das benötigte Ersatzteil aus der Ersatzteilliste Ihres Jonsered Gerätes aus und bestellen Sie einfach online. Viele Jonsered Ersatzteile halten wir ständig in unserem Lager für Sie bereit.


Qualitätsmanagement
Informieren Sie uns, wenn Sie einen Fehler gefunden haben.




